SKFCR400855轴承详细参数

发布时间:2026-05-30
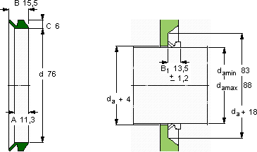
V形环密封件, VR2 设计
V形环密封件
da d A B C
最小 最大
mm mm - - - -
83887611,315,56VR2VCR 400855400855

SKFCR400855V型圈密封供应商

八零动力专业销售CR400855V型圈密封,库存SKFCR400855大量现货,与SKF合作,咨询热线:022-58519723业务咨询
SKFCR400855它的轻量化设计,减少了运输成本 它的设计巧妙,在保证性能的同时,还兼顾了安装的便捷性这款轴承的性能卓越,有效提高了设备的运行可靠性为您的机械提供持久动力,它在航空航天领域的应用,展现了它的高可靠性 品质卓越的它,在各种工况下都能展现出优异的性能,八零动力SKFV型圈密封品种全,价格优,质量有保证!

用户关注最多的SKF轴承型号

SKF2212E-2RS1KTN9 SKF23068CCK/W33+OH3068H* SKF23134CC/W33 SKF2x7214BEGAM* SKF32230T168J2/DB SKF6318/C3VL0241 SKFCR14383 SKFFSAF22613 SKFFYC55FM SKFFYR3-3 SKFFYRP3.11/16H-18 SKFHK2526 SKFNJ2211E SKFPCM12012560M SKFYAR211-203-2FW/VA201

CR400855V型圈密封近似的SKF轴承型号

SKFCR400855 SKFCR400854 SKFCR400900

用户关注最多的轴承狗热门型号

LYC  FC 5882240/HCC4/02 ASAHI  UCK310 NTN  NUP224 NTN  NA4913 SKF  FY13/16WF STEYR  NJ340 NTN  BK0408 GMN  7020C TIMKEN  320RF92 国产  K/60*68*40ZW SNR  7205B/DT SNR  7212AC/DB TIMKEN  7313WN SKF  CR403753 MRC  5201-SBKFF

版权所有©2009-2015 轴承狗zcgou.com ICP备案:津ICP备14004550号-13