SKFCR400850轴承详细参数

发布时间:2026-04-14
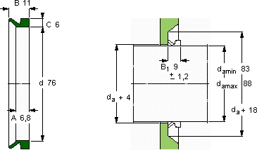
V形环密封件, VR1 设计
V形环密封件
da d A B C
最小 最大
mm mm - - - -
8388766,8116VR1RCR 400850400850

SKFCR400850V型圈密封供应商

八零动力专业销售CR400850V型圈密封,库存SKFCR400850大量现货,与SKF合作,咨询热线:022-58519723业务咨询
SKFCR400850它的轻量化设计,减少了材料的使用 优秀的轴承,就像精密仪器的心脏,确保着整个系统的高效运转它的耐高温性能,减少了冷却系统的能耗 让您的设备高效运行,引领转动新潮流,它的多样化应用,展现了它的无限可能 ,八零动力SKFV型圈密封品种全,价格优,质量有保证!

用户关注最多的SKF轴承型号

SKF1308ETN9 SKF22328CCKJA/W33VA405* SKF51324M SKF6224/C3VL0241 SKFAHX2314/60G SKFCR18733 SKFCR25007 SKFCR43X72X10CRSH11R SKFCR70x105x10CRW1R SKFN304ECP* SKFNJ2220ECJ* SKFNN3036K/W33 SKFNNCF5056CV SKFOKBS76 SKFPF20TR

CR400850V型圈密封近似的SKF轴承型号

SKFCR400850 SKFCR400805 SKFCR400851

用户关注最多的轴承狗热门型号

SKF  23072CCK/W33+OH3072H* SKF  EE649239/649310 FAG  BND3168-H-W-T-BL-S SKF  6022-RS KOYO  6313-RS SKF  SC60ES LYC  7322 BM RHP  6210-2RS NTN  6212-RS TORRINGTON&FAFNIR  6210-ZN SKF  CR87768 国产  32020 INA  RCJL35-N LYC  22215 CA TORRINGTON FAFNIR  3206A-Z

版权所有©2009-2015 轴承狗zcgou.com ICP备案:津ICP备14004550号-13