SKFCR400750轴承详细参数

发布时间:2026-05-29
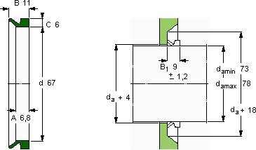
V形环密封件, VR1 设计
V形环密封件
da d A B C
最小 最大
mm mm - - - -
7378676,8116VR1RCR 400750400750

SKFCR400750V型圈密封供应商

八零动力专业销售CR400750V型圈密封,库存SKFCR400750大量现货,与SKF合作,咨询热线:022-58519723业务咨询
SKFCR400750这轴承的制造工艺精湛,展现出了极高的工业水准它的质量卓越,为机械设备的安全运行保驾护航这款轴承的精度极高,能够满足对精度要求苛刻的设备以精湛工艺铸就它的抗氧化性能,延长了它的使用寿命 它的高效率,减少了能源消耗 ,八零动力SKFV型圈密封品种全,价格优,质量有保证!

用户关注最多的SKF轴承型号

SKF2x7315BEGBP* SKF33113/Q SKF6006-RS SKF61919-2RS1 SKF7207CD/HCP4A SKFBT4B328204/HA1 SKFCR26X47X7HMSA10RG SKFCR27X43X7HMSA10V SKFCR35X50X7HMS5RG SKFCR524224 SKFCR58X80X12HMS5V SKFNA6908 SKFNU1017M SKFNU222ECM* SKFNU2236E

CR400750V型圈密封近似的SKF轴承型号

SKFCR400750 SKFCR400705 SKFCR400751

用户关注最多的轴承狗热门型号

KOYO  23256RHAK+AH2356 TIMKEN  17118/17244-B KINGON  F6701ZZ SKF  22219CC/W33 TIMKEN  1975/1931-B SKF  BEAM020068-2RS/PE SKF  6204N KOYO  5584R/35 SKF  NUP209E 国产  HK3211YA TORRINGTON  22352CACK/W33 SKF  SC7019FB/P7 LYC  6300 E-RS SKF  CR17633 LYC  628-2RZ

版权所有©2009-2015 轴承狗zcgou.com ICP备案:津ICP备14004550号-13