SKFCR400751轴承详细参数

发布时间:2026-05-30
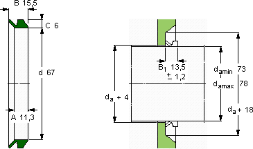
V形环密封件, VR2 设计
V形环密封件
da d A B C
最小 最大
mm mm - - - -
73786711,315,56VR2RCR 400751400751

SKFCR400751V型圈密封供应商

八零动力专业销售CR400751V型圈密封,库存SKFCR400751大量现货,与SKF合作,咨询热线:022-58519723业务咨询
SKFCR400751制造工艺精湛,使得这款轴承的精度和稳定性都非常出色高精度与高可靠性的完美结合,成就了这款杰出的轴承先进的制造技术和严格的质量检测,造就了这款优质轴承设计合理、性能优良的它,是机械设备稳定运行的重要保障它在船舶工业中的应用,展现了它的耐腐蚀性 轴承的耐用性强,减少了设备的停机维护时间,八零动力SKFV型圈密封品种全,价格优,质量有保证!

用户关注最多的SKF轴承型号

SKF2313K+H2313 SKF238/710CAMA/W20 SKF2x7222BECCM SKF314889/VJ202 SKF618/710MA SKF61930 SKF7016CE/P4A SKF7203AC/DF SKFCR10172 SKFCR30060 SKFCR530448 SKFFY2.7/16TF SKFNNU4938B/SPW33 SKFPCM16016580B SKFSAFC2317

CR400751V型圈密封近似的SKF轴承型号

SKFCR400751 SKFCR400750 SKFCR400754

用户关注最多的轴承狗热门型号

SKF  FBSA212A/QFC NACHI  29322EX NACHI  560/553X LYC  22344/W33 KOYO  22252CACK/W33 TIMKEN  306K SKF  HS312E FAG  SNV080-L + 1208-TVH + DH208 LYC  122729 SKF  CR21134 MRC  6303-2RS TIMKEN  EE275095/275161D/X3S-275095 TIMKEN  3576/3525 SNR  320/28 IKO  CFE30-2VBUU

版权所有©2009-2015 轴承狗zcgou.com ICP备案:津ICP备14004550号-13