SKFCR400705轴承详细参数

发布时间:2026-05-30
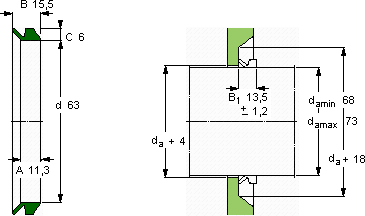
V形环密封件, VR2 设计
V形环密封件
da d A B C
最小 最大
mm mm - - - -
68736311,315,56VR2VCR 400705400705

SKFCR400705V型圈密封供应商

八零动力专业销售CR400705V型圈密封,库存SKFCR400705大量现货,与SKF合作,咨询热线:022-58519723业务咨询
SKFCR400705它的耐腐蚀性,减少了维护成本 它在机器人领域的应用,展现了它的高精密性 这轴承的精度控制令人佩服,为设备的精准运行提供了保障卓越的设计和可靠的性能,是这款轴承的两大亮点是您成功路上的得力助手,这轴承的稳定性极佳,在高速运转时也能保持良好状态,八零动力SKFV型圈密封品种全,价格优,质量有保证!

用户关注最多的SKF轴承型号

SKF32038T146X/DBC220 SKF63007-2RS1 SKF7021C/DB SKFAN20 SKFCR14780 SKFCR22X36X7HMSA10RG SKFCR2850565 SKFCR86426 SKFEE655270/655345 SKFNNF5005ADB-2LSV SKFNU10/800ECMA/HB1 SKFSNL4076GL SKFSNW3038x7 SKFTVN305WA SKFYAR211-203-2FW/VA201

CR400705V型圈密封近似的SKF轴承型号

SKFCR400705 SKFCR400704 SKFCR400750

用户关注最多的轴承狗热门型号

LYC  NU 6/700 NACHI  7320BDB SKF  234438B SKF  7024DB/P7 TIMKEN  2578/2524YD 国产  6012E DKF  7301B/DT BARDEN  71910C/DT FLT  NJ203 LYC  NAV 4930/C4 LYC  23072 CA/W33 国产  FC5678220 IKO  PB22 IKO  NAST40ZZ IKO  LRT6916

版权所有©2009-2015 轴承狗zcgou.com ICP备案:津ICP备14004550号-13