SKFCR400381轴承详细参数

发布时间:2026-05-30
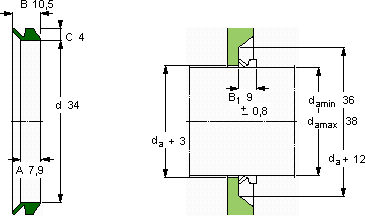
V形环密封件, VR2 设计
V形环密封件
da d A B C
最小 最大
mm mm - - - -
3638347,910,54VR2RCR 400381400381

SKFCR400381V型圈密封供应商

八零动力专业销售CR400381V型圈密封,库存SKFCR400381大量现货,与SKF合作,咨询热线:022-58519723业务咨询
SKFCR400381它的抗变形能力,让它在高负载下依然保持形状 它的低噪音设计,减少了对环境的噪音污染 优秀的设计理念和精湛的制造工艺,成就了这款杰出的轴承它的设计巧妙,在保证性能的同时,还兼顾了安装的便捷性轴承的稳定性和可靠性表现卓越,赢得了广泛赞誉它的轻量化设计,减少了运输成本 ,八零动力SKFV型圈密封品种全,价格优,质量有保证!

用户关注最多的SKF轴承型号

SKF21309E* SKF22332CCKJA/W33VA405* SKF249/1120CAF/W33 SKF31594/31520/Q SKF7004CE/HCP4A SKFBSA201CG SKFBT4B331226/HA1 SKFC71918FB/P7 SKFCR14208 SKFCR40X52X7HMSA10RG SKFCR556x610x25.4HS7R SKFCR73X95X10CRSH13R SKFPFD5/8WF SKFSDAF23264 SKFSNW26x4.1/2

CR400381V型圈密封近似的SKF轴承型号

SKFCR400381 SKFCR400380 SKFCR400384

用户关注最多的轴承狗热门型号

SKF  CR1500510 KOYO  7204B/DF TIMKEN  782/773D/X3S-782 FAG  HCB7022-C-2RSD-T-P4S SKF  CR1400232 KOYO  23088CACK/W33+H3088 FYH  UKFLU306+H2306 STEYR  QJ222 LYC  787/2625K 国产  6416 LYC  AHX 3168 NTN  K15×19×13 国产  16024 LYC  CS-NNU 6/206.375/C9 SKF  CR534948

版权所有©2009-2015 轴承狗zcgou.com ICP备案:津ICP备14004550号-13