SKF6208-2RZTN9/HC5C3WT轴承详细参数

发布时间:2026-05-30
深沟球轴承, 单列陶瓷混合轴承, 低摩擦两面密封件
主要数据尺寸 基本负荷额定值 疲劳负荷限值 额定速度 体积 型号
动态 静态 参照速度 限制速度
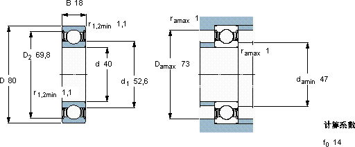
d D B C C0 Pu
mm kN kN r/min kg -
40801832,5190,824000160000,346208-2RZTN9/HC5C3WT

SKF6208-2RZTN9/HC5C3WT工程产品供应商

八零动力专业销售6208-2RZTN9/HC5C3WT工程产品,库存SKF6208-2RZTN9/HC5C3WT大量现货,与SKF合作,咨询热线:022-58519723业务咨询
SKF6208-2RZTN9/HC5C3WT它的精密设计,展现了人类智慧的巅峰 高品质的轴承,在复杂工况下也能展现出卓越的性能承载重托该轴承的性能卓越,完全满足了各种严苛工况的需求它的长寿命,减少了更换频率 它的故障率极低,确保了设备的稳定运行 ,八零动力SKF工程产品品种全,价格优,质量有保证!

用户关注最多的SKF轴承型号

SKF23996CA/W33 SKF31326 SKF6002-2RSH* SKF71932C/DT SKF7209CD/P4A SKF812/630M SKFBTM70A/HCP4CDBB SKFCR140x160x12CRW1R SKFCR38X50X7HMS5V SKFFNL511B SKFFYT1.3/8WF SKFFYTBK30TF SKFKD2-103 SKFW6304-2Z SKFSYE1.7/16H-18

6208-2RZTN9/HC5C3WT工程产品近似的SKF轴承型号

SKF6208/HR11TN SKF6208/HR22T2 SKF6208/HR22Q2 SKF6208-2RZTN9/HC5C3WT SKF6208/HR11QN SKF6208-2RZ* SKF6208-2Z*

用户关注最多的轴承狗热门型号

MRC  7318B/DT SKF  OKCX480 SKF  AOHX3196G 国产  16010X2 SKF  QJ213N2MA SKF  23148-2CS5/VT143* SNR  7216AC/DB SKF  CR500x550x18HDS2D SKF  W6203 SKF  SYNT55LW FAG  SNV200-L + 23222-E1-K-TVPB + H2322 + TSV522 LYC  131.45.2500.03K1 NSK  707A 国产  KZK32*41*18 NSK  24056CAK30E4

版权所有©2009-2015 轴承狗zcgou.com ICP备案:津ICP备14004550号-13