SKFCR400380轴承详细参数

发布时间:2026-04-14
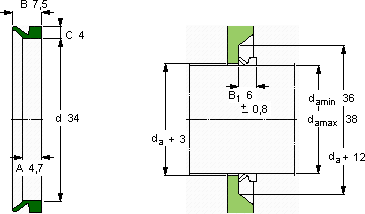
V形环密封件, VR1 设计
V形环密封件
da d A B C
最小 最大
mm mm - - - -
3638344,77,54VR1RCR 400380400380

SKFCR400380V型圈密封供应商

八零动力专业销售CR400380V型圈密封,库存SKFCR400380大量现货,与SKF合作,咨询热线:022-58519723业务咨询
SKFCR400380它的质量卓越,为机械设备的安全运行保驾护航它的尺寸精度,达到了微米级的极致 旋转无忧品质永相随它的几何精度,让机械运转分毫不差 它的品质卓越,是提升机械设备整体性能的关键所在,八零动力SKFV型圈密封品种全,价格优,质量有保证!

用户关注最多的SKF轴承型号

SKF32303 SKF330661E/C475* SKF7202CD/P4A SKF7326B/DF SKFBC2-8004/HA1 SKFCR2490 SKFFYC30FM SKFNA6916 SKFNJ318ECP SKFNJ319ECML* SKFNK16/20 SKFNKI25/30 SKFPCZ2420M SKFS71918FB/P7 SKFSAF1507

CR400380V型圈密封近似的SKF轴承型号

SKFCR400380 SKFCR40036 SKFCR400381

用户关注最多的轴承狗热门型号

NTN  7222B/DB FAG  H32/800-HG SKF  NU1010ECP RHP  6314-2Z FAG  SNV130-L + 2215-K-TVH-C3 + H315X208 + DHV515X208 SKF  CR335x380x20HDS1R NTN  NU411 FAG  SNV300-L + 20328-MB + FSV328 TIMKEN  110RIJ473 NSK  ZM-UCF202-010D1 TIMKEN  220RT03 KOYO  3208A-Z INA  RWS1808-350/x350/x268 TIMKEN  376/372 NACHI  6310

版权所有©2009-2015 轴承狗zcgou.com ICP备案:津ICP备14004550号-13