SKF22228CCK/W33+AHX3128*轴承详细参数

发布时间:2026-04-14
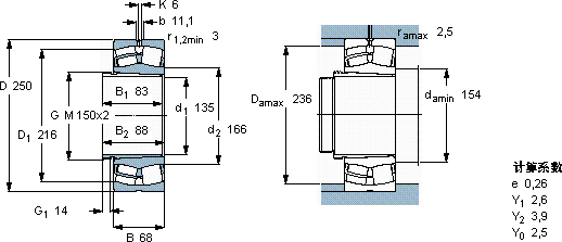
球面滚子轴承, 带退卸套的
主要数据尺寸 基本负荷额定值 疲劳负荷限值 额定速度 体积 型号
动态 静态 参照速度 限制速度 轴承 +退卸套
d1 D B C C0 Pu
* - SKF Explorer 轴承
mm kN kN r/min kg -
1352506871090086,52400320015,022228 CCK/W33 + AHX 3128 *

SKF22228CCK/W33+AHX3128*球面滚子轴承供应商

八零动力专业销售22228CCK/W33+AHX3128*球面滚子轴承,库存SKF22228CCK/W33+AHX3128*大量现货,与SKF合作,咨询热线:022-58519723业务咨询
SKF22228CCK/W33+AHX3128*它的长寿命,减少了资源浪费 没有轴承,现代机械将寸步难行,旋转不息让您的机械如虎添翼,它的尺寸一致性,让批量生产成为可能 质量上乘的轴承,是提升机械设备性能的关键因素,八零动力SKF球面滚子轴承品种全,价格优,质量有保证!

用户关注最多的SKF轴承型号

SKF23124CC/W33 SKF6213-2Z/VA228 SKFAXK0414TN SKFCR16893 SKFCR20431 SKFFBSA208/QBC SKFNAO30x45x26 SKFNNF5038ADA-2LSV SKFNU2209E SKFNUP326ECP SKFPCM353940E SKFQJ1260N2MA SKFS71912ACD/P4A SKFSNP3080x15 SKFWS81207

22228CCK/W33+AHX3128*球面滚子轴承近似的SKF轴承型号

SKF22228CCK/W33+H3128* SKF22228-2CS5/VT143* SKF22228CCK/W33+AHX3128* SKF22228-2CS5K/VT143* SKF22228CC/W33* SKF22228CCK/W33* SKF22228CCK/W33* SKF22228CCK/W33+H3128*

用户关注最多的轴承狗热门型号

SNR  6205-2RS KOYO  6306NR KOYO  NU2304R SKF  24172ECCJ/W33 FAG  BND3026-Z-T-AL-S NSK  7320BWDF LYC  5691/600 LYC  22316 C/W33 SKF  CR70X90X10CRWHA1P LYC  6326/Z1 SKF  NKI90/36 FAG  BND3264-H-W-Y-AL-S NSK  F682 KINGON  F6000ZZ IKO  KT61013

版权所有©2009-2015 轴承狗zcgou.com ICP备案:津ICP备14004550号-13