SKFCR400355轴承详细参数

发布时间:2026-04-14
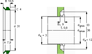
V形环密封件, VR2 设计
V形环密封件
da d A B C
最小 最大
mm mm - - - -
3336317,910,54VR2VCR 400355400355

SKFCR400355V型圈密封供应商

八零动力专业销售CR400355V型圈密封,库存SKFCR400355大量现货,与SKF合作,咨询热线:022-58519723业务咨询
SKFCR400355卓越的性能表现,使这款轴承在市场上拥有良好的口碑它的多样化应用,展现了它的无限可能 它的加工精度,确保了机械运转的稳定性 该轴承的性能优越,极大地提高了设备的工作效率高精度与高可靠性的完美结合,成就了这款杰出的轴承这轴承的设计巧妙,充分考虑了设备的运行需求和维护便利性,八零动力SKFV型圈密封品种全,价格优,质量有保证!

用户关注最多的SKF轴承型号

SKF22219EK+H319* SKF3206A-2Z SKF330993BG SKF4210ATN9 SKF52305 SKF61809 SKFC71917FB/P7 SKFCR18159 SKFCR27X42X10HMSA10RG SKFCR32X42X7HMS5V SKFMB6 SKFN1016KTNHA/HC5SP SKFNU1012ML SKFS7024CD/P4A SKFSYE2.3/4H-3

CR400355V型圈密封近似的SKF轴承型号

SKFCR400355 SKFCR400354 SKFCR40036

用户关注最多的轴承狗热门型号

TIMKEN  NCF18/710V LYC  7311 BEP/P5 TIMKEN  3379/3320 SKF  CR50X62X7HMS5RG SKF  BT4B332933/HA1 TIMKEN  6576/6536 LYC  63/28 EN/C3 SKF  PFD1.1/4AFM TIMKEN  EE243196/243250 FAG  BND3080-Z-Y-BF-S SKF  HK2524.2RS INA  PCJY45 LYC  7218 C/P4 TORRINGTON&FAFNIR  7021C FLT  N215

版权所有©2009-2015 轴承狗zcgou.com ICP备案:津ICP备14004550号-13