SKFCR400325轴承详细参数

发布时间:2026-04-15
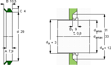
V形环密封件, VR2 设计
V形环密封件
da d A B C
最小 最大
mm mm - - - -
3133297,910,54VR2VCR 400325400325

SKFCR400325V型圈密封供应商

八零动力专业销售CR400325V型圈密封,库存SKFCR400325大量现货,与SKF合作,咨询热线:022-58519723业务咨询
SKFCR400325它在矿山设备中的应用,确保了设备的高负载能力 优秀的设计理念和精湛的制造工艺,成就了这款优秀的轴承转动精彩它的抗氧化性能,延长了它的使用寿命 转动不停歇它的高效率,减少了能源消耗 ,八零动力SKFV型圈密封品种全,价格优,质量有保证!

用户关注最多的SKF轴承型号

SKF6207* SKF6316-RS SKF7026AC SKFBVNB328540/HA1 SKFC2205KV+H305E* SKFCR18817 SKFCR28275 SKFCR401505 SKFHE313E SKFK24x30x17 SKFNATV17 SKFNJ228E+HJ228E SKFOKBS42 SKFPWM303620 SKFSIJ60ES

CR400325V型圈密封近似的SKF轴承型号

SKFCR400325 SKFCR400324 SKFCR400350

用户关注最多的轴承狗热门型号

TIMKEN  HH926744/HH926716 SKF  CR25X62X10HMSA10V SKF  32017X/Q NTN  6007NR INA  XU120179 国产  QJ1038N2Q1/SO TIMKEN  HM88649A/HM88610 LYC  6004 E-Z/Z1 NSK  F683AZZ SKF  608/600MA NSK  7921CTYNP5 SKF  3206A-2RS1/MT33* INA  SL045036-PP TIMKEN  EE430888/431576CD+X1S-430888 IKO  LRBZ283624

版权所有©2009-2015 轴承狗zcgou.com ICP备案:津ICP备14004550号-13