SKFCR400324轴承详细参数

发布时间:2026-04-14
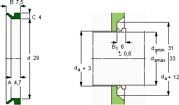
V形环密封件, VR1 设计
V形环密封件
da d A B C
最小 最大
mm mm - - - -
3133294,77,54VR1VCR 400324400324

SKFCR400324V型圈密封供应商

八零动力专业销售CR400324V型圈密封,库存SKFCR400324大量现货,与SKF合作,咨询热线:022-58519723业务咨询
SKFCR400324它的稳定性,让它在各种环境下都能可靠工作 铸就卓越品质,它的长寿命,减少了资源浪费 轴承的精度和稳定性都达到了行业顶尖水平引领转动新潮流,它的故障率极低,确保了设备的稳定运行 ,八零动力SKFV型圈密封品种全,价格优,质量有保证!

用户关注最多的SKF轴承型号

SKF51106V/HR11T1 SKF7213BECBP SKF7304BECBM SKFBA9 SKFC3232K+H2332L* SKFC71907DB/P7 SKFCR18872 SKFCR21759 SKFCR70X110X12HMS5V SKFH210 SKFNU1014ML SKFOH3264H SKFP1.7/16ATF SKFS71913FB/P7 SKFSNW3024x4.3/16

CR400324V型圈密封近似的SKF轴承型号

SKFCR400324 SKFCR400321 SKFCR400325

用户关注最多的轴承狗热门型号

INA  RUE25-D-H-OE STEYR  NUP230E SKF  CR45x85x8CRW1R SKF  W6303-2Z SKF  HM803149/2/QQ0/2/QCL7C NTN  NUP222E SKF  CR18x30x7CRW1V NACHI  SN313C TIMKEN  73551/73875 FAG  SNV120-L + 1213-K-TVH-C3 + H213X204 + FSV513X204 RHP  71934C SNFA  7015C SKF  CR30x60x8CRW1R NACHI  SN3132E IKO  BRI284828U

版权所有©2009-2015 轴承狗zcgou.com ICP备案:津ICP备14004550号-13