SKFCR400350轴承详细参数

发布时间:2026-04-17
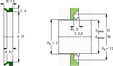
V形环密封件, VR1 设计
V形环密封件
da d A B C
最小 最大
mm mm - - - -
3336314,77,54VR1RCR 400350400350

SKFCR400350V型圈密封供应商

八零动力专业销售CR400350V型圈密封,库存SKFCR400350大量现货,与SKF合作,咨询热线:022-58519723业务咨询
SKFCR400350这轴承的选材讲究,坚固耐用,寿命远超同类产品它的抗疲劳性能,确保了长期使用的可靠性 它的微观表面处理,减少了摩擦和磨损 它机械世界的心脏,默默支撑着无数设备的运转 质量上乘的轴承,是提升机械设备性能的关键因素它的抗磨损涂层,让它更加耐用 ,八零动力SKFV型圈密封品种全,价格优,质量有保证!

用户关注最多的SKF轴承型号

SKF51276 SKF71940C/DT SKF7309BECBY SKF7317B/DB SKF81130TN SKFC71907DB/P7 SKFCR36X52X7HMS5RG SKFCR84711 SKFCR99215 SKFFYK20TF SKFFYR1.15/16-3 SKFNJ308ECJ* SKFNUP2210ECJ* SKFRNA4908.2RS SKFS71913CD/HCP4A

CR400350V型圈密封近似的SKF轴承型号

SKFCR400350 SKFCR400325 SKFCR400351

用户关注最多的轴承狗热门型号

NSK  ZM-UCFL213-209D1 FAG  H2356X-HG LYC  63/28 ENR/C3 MRC  6317 SKF  6010NR* MRC  7326B/DT SKF  NJ232E KOYO  23284CACK/W33 SKF  YAT205-100 TIMKEN  LM281849/LM281810 SKF  BT4B334081/HA4 NTN  22236CCK/W33 DKF  7306AC INA  ZKLN0624-2Z LYC  51268 M

版权所有©2009-2015 轴承狗zcgou.com ICP备案:津ICP备14004550号-13