SKFCR400321轴承详细参数

发布时间:2026-04-29
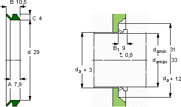
V形环密封件, VR2 设计
V形环密封件
da d A B C
最小 最大
mm mm - - - -
3133297,910,54VR2RCR 400321400321

SKFCR400321V型圈密封供应商

八零动力专业销售CR400321V型圈密封,库存SKFCR400321大量现货,与SKF合作,咨询热线:022-58519723业务咨询
SKFCR400321高品质的轴承,在各种复杂工况下都能展现出卓越的性能表现没有轴承,现代机械将寸步难行,它的使用寿命,远超同类产品 它的精准度,让机械运转分毫不差 承载未来这款轴承的性能卓越,有效提升了设备的整体性能和可靠性,八零动力SKFV型圈密封品种全,价格优,质量有保证!

用户关注最多的SKF轴承型号

SKF22317CC/W33 SKF313451B SKF32318J2 SKF6015-2RS SKF6306-RS1* SKF7000CD/P4A SKF7319BEP SKFBT2-8003/HA3 SKFCR527474 SKFCR8631 SKFFYR1.1/2 SKFIR40x45x17 SKFNJ311E+HJ311E SKFNNU4972B/SPW33 SKFSAF23030KAx5.1/4

CR400321V型圈密封近似的SKF轴承型号

SKFCR400321 SKFCR400320 SKFCR400324

用户关注最多的轴承狗热门型号

FAG  VRE311-F RIV  NU222 SKF  7012AC/DB NSK  7030A5TYNP5 LYC  NN 3036/W33 SKF  CR50X65X10HMSA10RG SNR  7005AC/DF SKF  29260 SKF  32216J2/Q LYC  6408 E-2Z NSK  7918A5DB SKF  NN3040K/SPW33 国产  61920 RHP  3212A KOYO  NJ2317E+HJ2317E

版权所有©2009-2015 轴承狗zcgou.com ICP备案:津ICP备14004550号-13