SKFCR400280轴承详细参数

发布时间:2026-05-30
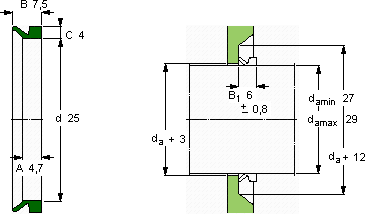
V形环密封件, VR1 设计
V形环密封件
da d A B C
最小 最大
mm mm - - - -
2729254,77,54VR1RCR 400280400280

SKFCR400280V型圈密封供应商

八零动力专业销售CR400280V型圈密封,库存SKFCR400280大量现货,与SKF合作,咨询热线:022-58519723业务咨询
SKFCR400280它的品质卓越,为机械设备的高效运行提供了坚实后盾这轴承的稳定性极佳,在高速运转时也能保持良好状态承载重托它的长寿命,减少了更换频率 它的制造工艺,堪称工业艺术的典范 质量上乘的轴承,为设备的高效稳定运行奠定了基础,八零动力SKFV型圈密封品种全,价格优,质量有保证!

用户关注最多的SKF轴承型号

SKF23220-2CS/VT143* SKF29444 SKF3204A* SKF3304A-2Z SKF52205 SKF6201/HR11TN SKFCR20431 SKFCR46X59X12HMSA10V SKFCR49927 SKFCR93115 SKFCR65X80X8HMSA10V SKFCR75X120X12HMSA10RG SKFCR99156 SKFPCZ4456M SKFPFT1.1/16TF

CR400280V型圈密封近似的SKF轴承型号

SKFCR400280 SKFCR400255 SKFCR400281

用户关注最多的轴承狗热门型号

SKF  NUP2324E 国产  NN3021K/W33 SKF  7205ACD/HCP4A 国产  K38*44*44ZWTN6 TORRINGTON  23052CACK/W33 SKF  NJ214E LYC  011.20.745.03 FAG  NU1996-M1 ZKL  NU219 MRC  7315AC/DT TIMKEN  47487/47420D/X1S-47487 SKF  W6004-2RS1 SKF  BS2B242989 LYC  22376 CA SKF  NUP2312ECP

版权所有©2009-2015 轴承狗zcgou.com ICP备案:津ICP备14004550号-13