SKFCR400201轴承详细参数

发布时间:2026-04-14
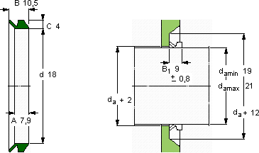
V形环密封件, VR2 设计
V形环密封件
da d A B C
最小 最大
mm mm - - - -
1921187,910,54VR2RCR 400201400201

SKFCR400201V型圈密封供应商

八零动力专业销售CR400201V型圈密封,库存SKFCR400201大量现货,与SKF合作,咨询热线:022-58519723业务咨询
SKFCR400201它的精密测量技术,确保了每一件产品的品质 每一次转动都是精准与力量的完美呈现,它在农业机械中的应用,展现了它的耐用性 它的每一次转动,都是对效率的极致追求 它机械世界的心脏,默默支撑着无数设备的运转 转动不停歇,八零动力SKFV型圈密封品种全,价格优,质量有保证!

用户关注最多的SKF轴承型号

SKF24138CCK30/W33* SKF2305K SKF32215J2/Q SKF7314BEGBY SKFCR1093440 SKFCR160X190X15HMS5RG SKFCR402500 SKFCR44X60X10HMSA10V SKFFY1.1/8RM SKFGE6E SKFN2307 SKFNU1060 SKFNU203ECML SKFP7/8WF SKFSNL3184LTURT

CR400201V型圈密封近似的SKF轴承型号

SKFCR400201 SKFCR400200 SKFCR400204

用户关注最多的轴承狗热门型号

SKF  H2328L SKF  W61800-2Z NSK  NU208ET FAG  BND3164-Z-Y-AL-S FAG  HCB7020-E-2RSD-T-P4S NTN  24052B SKF  23264CACK/W33+H3264 LYC  792/1000G2K SKF  6308-2Z/VA201 NTN  6000NR SKF  609-RS ZKL  7316B SKF  BT2B328466/HA1 STEYR  NUP332E ZKL  7215B/DB

版权所有©2009-2015 轴承狗zcgou.com ICP备案:津ICP备14004550号-13