SKFCR400200轴承详细参数

发布时间:2026-04-14
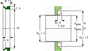
V形环密封件, VR1 设计
V形环密封件
da d A B C
最小 最大
mm mm - - - -
1921184,77,54VR1RCR 400200400200

SKFCR400200V型圈密封供应商

八零动力专业销售CR400200V型圈密封,库存SKFCR400200大量现货,与SKF合作,咨询热线:022-58519723业务咨询
SKFCR400200轴承的耐用性极佳,为设备的长期稳定运行提供了保障制造工艺精湛,使得这款轴承的精度和稳定性都非常出色卓越的性能表现,使这款轴承在市场上拥有良好的口碑它的疲劳强度,确保了长期使用的可靠性 轴承的性能可靠,为机械设备的稳定运行立下汗马功劳设计合理、性能优良的轴承,是机械设备的理想之选,八零动力SKFV型圈密封品种全,价格优,质量有保证!

用户关注最多的SKF轴承型号

SKF308-2Z SKF7010CE/P4A SKF71936C/DF SKFCR13X26X7HMSA10V SKFCR67510 SKFCR99238 SKFH913842/810/QCL7C SKFHM89446/2/410/2/QCL7C SKFNNC4834CV SKFNUP2214ECP* SKFPCM303420E SKFPWM283440 SKFPWM809060 SKFSAKAC22M SKFSC71917DB/P7

CR400200V型圈密封近似的SKF轴承型号

SKFCR400200 SKFCR40020 SKFCR400201

用户关注最多的轴承狗热门型号

NSK  7207CDB 国产  N208 INA  ZMA55/98 KOYO  22216CCK/W33+H316 SKF  NU232E STEYR  NU2214E TORRINGTON  23296CACK/W33 INA  RWS1808-150/x150/x78 SKF  2x7205BEGCP* SKF  NNU4938BK/SPW33 LYC  NU 20/600 /EM INA  UZS16260 INA  GE75-KRR-B NTN  7314B/DT SKF  23952CC/W33

版权所有©2009-2015 轴承狗zcgou.com ICP备案:津ICP备14004550号-13