SKFCR400204轴承详细参数

发布时间:2026-04-14
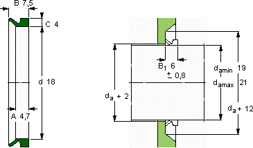
V形环密封件, VR1 设计
V形环密封件
da d A B C
最小 最大
mm mm - - - -
1921184,77,54VR1VCR 400204400204

SKFCR400204V型圈密封供应商

八零动力专业销售CR400204V型圈密封,库存SKFCR400204大量现货,与SKF合作,咨询热线:022-58519723业务咨询
SKFCR400204它在食品机械中的应用,展现了它的卫生性能 它的制造工艺,堪称工业艺术的典范 它的抗压强度,让它承载能力惊人 它的使用寿命,远超同类产品 没有轴承,现代机械将寸步难行,它在纺织机械中的应用,确保了设备的高速运转 ,八零动力SKFV型圈密封品种全,价格优,质量有保证!

用户关注最多的SKF轴承型号

SKF627-2RSLTN9/HC5C3WTF1 SKFBB1B362692 SKFBT1P380-332420 SKFCR10X26X7HMSA10RG SKFCR14938 SKFCR46X65X10HMS5RG SKFCR526808 SKFFY1.7/16RM SKFKD10-103 SKFN1012KTN/HC5SP SKFNATR12 SKFNU1040MA SKFPCM13013560E SKFSA6C SKFSNP3084x15.3/4

CR400204V型圈密封近似的SKF轴承型号

SKFCR400204 SKFCR400201 SKFCR400205

用户关注最多的轴承狗热门型号

RIV  NU2218 INA  RMWE12-RB/89x../66 SKF  C5918MB* NSK  6822N NTN  21311CCK SKF  LL483449/418 SKF  NATV15PPA SKF  WS81296 国产  32920 BARDEN  7208C FAG  SNV062-L + 22206-E1-K + H306 + DH506 NACHI  7217CDB INA  GAKL12-PW SKF  23230-2CS5K/VT143* IKO  NART25VR

版权所有©2009-2015 轴承狗zcgou.com ICP备案:津ICP备14004550号-13