SKFYEL205-014-2FCW轴承详细参数

发布时间:2026-04-19
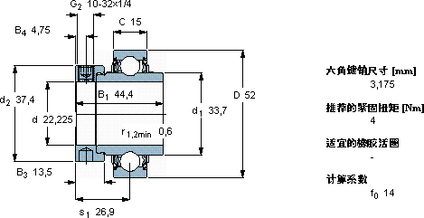
Y-轴承, 带偏心锁定环的, YEL 2-2FCW
主要数据尺寸 基本负荷额定值 疲劳负荷限值 限制速度 体积 型号
动态 静态
d D B1 (B) C C C0 Pu 用于轴公差h6
mm kN kN r/min kg -
22,2255244,415147,80,33570000,26YEL 205-014-2FCW

SKFYEL205-014-2FCW外球面球轴承Y-轴承供应商

八零动力专业销售YEL205-014-2FCW外球面球轴承Y-轴承,库存SKFYEL205-014-2FCW大量现货,与SKF合作,咨询热线:022-58519723业务咨询
SKFYEL205-014-2FCW稳定的传奇轴承的稳定性和可靠性都十分出色,赢得了用户的信赖它的耐腐蚀性,让它经久不衰 轴承的耐用性超乎想象,有效降低了设备的维护成本品质卓越的它,为机械设备的稳定、高效运行提供了支持就是选择高效与可靠,八零动力SKF外球面球轴承Y-轴承品种全,价格优,质量有保证!

用户关注最多的SKF轴承型号

SKF30332J2 SKF61910-RS SKF62213-2RS1 SKF7017ACE/P4A SKFCR11055 SKFHE210 SKFK3x5x9TN SKFN1022KTN9/SP SKFNNU4952/W33 SKFNU326ECJ* SKFOKCX640 SKFPFD1.1/16WF SKFRLS14 SKFSY1.1/16FM SKFSYR3.-3

YEL205-014-2FCW外球面球轴承Y-轴承近似的SKF轴承型号

SKFYAT205-100 SKFYAR205-015-2F SKFYAR205-014-2F SKFYAR205-013-2F SKFYAR205-2F SKFYEL205-015-2F SKFYEL205-014-2F SKFYAR205-100-2F/AH SKFYET205/W64 SKFRIS205 SKFYEL205-014-2F SKFYEL205-015-2F

用户关注最多的轴承狗热门型号

SKF  NU2328ECMA NSK  65BNR10X BARDEN  7008C/DB TIMKEN  239/950YMB 国产  6315-ZNR SKF  CR65X85X12HMS5V NTN  22320CCK/W33+H2320 NACHI  SN308F SKF  NNU4860K/W33 SKF  CR99131 NSK  51430XM TIMKEN  240RJ30 TIMKEN  98335/98789D 国产  NU2217M NSK  55TMP93

版权所有©2009-2015 轴承狗zcgou.com ICP备案:津ICP备14004550号-13