SKFBEAB351867轴承详细参数

发布时间:2026-04-19
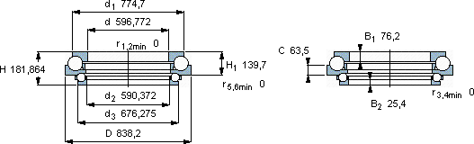
角接触推力球轴承, 双向
主要数据尺寸 基本负荷额定值 疲劳负荷限值 [kN] 体积 型号
上轴承 下轴承 上数值下数值
动态 静态 动态 静态
d D H C C0 C C0 Pu Pu
mm kN kN kN kg -
596,772838,2181,86411205400520325086,547,5230BEAB 351867

SKFBEAB351867角接触推力球轴承供应商

八零动力专业销售BEAB351867角接触推力球轴承,库存SKFBEAB351867大量现货,与SKF合作,咨询热线:022-58519723业务咨询
SKFBEAB351867轴承的稳定性和可靠性表现卓越,赢得了广泛赞誉开启顺畅运行新时代,优秀的轴承,就像精密仪器的心脏,确保着整个系统的高效运转承载未来它的静音设计,让机械运转如丝般顺滑 为设备的精确运行提供了保障,该轴承的精度控制精准,为设备的精确运行提供了保障,八零动力SKF角接触推力球轴承品种全,价格优,质量有保证!

用户关注最多的SKF轴承型号

SKF13948 SKF16076MA SKF24040CC/W33 SKF32315J2 SKF3308DNRCBM SKF7206BEGAY SKFAOH24192 SKF81164M SKFBT4B328838BG/HA1VA902* SKFCR1055x1100x25HS5D SKFCR160X190X15HMSA10V SKFCR52x70x8CRW1R SKFCR54959 SKFCR70X90X10CRWHA1P SKFK90x98x30

BEAB351867角接触推力球轴承近似的SKF轴承型号

SKFBEAB351867 SKFBEAB351866A SKFBEAB351868

用户关注最多的轴承狗热门型号

MRC  61932 INA  ERVS35 国产  6216/Z2 SKF  6208/HR11TN SKF  CR37390 GMN  7222C/DF SKF  7321B NSK  NA4926 NTN  NUP205E SKF  T2ED050/Q RHP  625-2RS NTN  7038C SKF  NJG2344VH SKF  HK5025 IKO  KT172117

版权所有©2009-2015 轴承狗zcgou.com ICP备案:津ICP备14004550号-13