SKFBEAB351868轴承详细参数

发布时间:2026-04-14
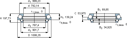
角接触推力球轴承, 双向
主要数据尺寸 基本负荷额定值 疲劳负荷限值 [kN] 体积 型号
上轴承 下轴承 上数值下数值
动态 静态 动态 静态
d D H C C0 C C0 Pu Pu
mm kN kN kN kg -
792,141006,35197,7311608300780570010272320BEAB 351868

SKFBEAB351868角接触推力球轴承供应商

八零动力专业销售BEAB351868角接触推力球轴承,库存SKFBEAB351868大量现货,与SKF合作,咨询热线:022-58519723业务咨询
SKFBEAB351868轴承的耐用性出色,能够长时间保持良好的工作状态它的耐用性,赢得了无数用户的信赖 优秀的轴承,就像精密仪器的心脏,确保着整个系统的高效运转精准运转制造工艺精湛,使得这款轴承的精度、稳定性和耐用性都非常出色这轴承的质量过硬,经得起时间和高强度工作的考验,八零动力SKF角接触推力球轴承品种全,价格优,质量有保证!

用户关注最多的SKF轴承型号

SKF23026CC/W33* SKF24188ECA/W33* SKF302/28J2 SKF4211ATN9 SKF71920ACD/P4A SKF7208BECBY SKFAOH241/500 SKFBS2-2226-2CS5/VT143* SKFCR19783 SKFCR410x450x20HDS2R SKFCR60x80x12CRSA1R SKFCR7517 SKFHM803149/110/Q SKFNU2338ECMA SKFSYR3.15/16-18

BEAB351868角接触推力球轴承近似的SKF轴承型号

SKFBEAB351868 SKFBEAB351867 SKFBEAM012055-2RS

用户关注最多的轴承狗热门型号

LYC  7009 CT/P4 RHP  7220AC INA  ML7025 NTN  4T-33206 INA  KWVE30-B-SN LYC  787/1210 SKF  61921 NTN  7934CDT SNR  609-RS SKF  30211J2/Q SKF  CR13588 SKF  HK2016 KOYO  NJ2224E+HJ2224E LYC  NFP 38/630/P63 LYC  132.50.4000.03

版权所有©2009-2015 轴承狗zcgou.com ICP备案:津ICP备14004550号-13