SKFBA1B311745轴承详细参数

发布时间:2026-05-29
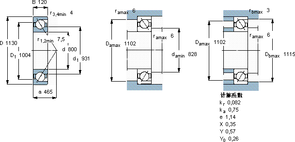
角接触球轴承, 单列
主要数据尺寸 尺寸 [英寸] 疲劳负荷限值 额定速度 体积 型号
动态 静态 参照速度 限制速度
d D B C C0 Pu
mm kN kN r/min kg -
80011301201080320044450480395BA1B 311745

SKFBA1B311745角接触球轴承供应商

八零动力专业销售BA1B311745角接触球轴承,库存SKFBA1B311745大量现货,与SKF合作,咨询热线:022-58519723业务咨询
SKFBA1B311745轴承的耐用性强,减少了设备的停机维护时间畅享稳定顺滑的旋转之旅,为设备的精确运行提供了保障,该轴承的精度控制精准,为设备的精确运行提供了保障设计合理、性能优良的它,是机械设备实现高效运行的重要保障质量上乘的轴承,为设备的高效稳定运行奠定了基础它在电子设备中的应用,展现了它的高精密性 ,八零动力SKF角接触球轴承品种全,价格优,质量有保证!

用户关注最多的SKF轴承型号

SKF22348CC/W33 SKF23084CA/W33* SKF305180 SKF61930MA SKF619/1500MB SKF71921C/DB SKFC3136K+H3136L* SKFCR25065 SKFCR3250574 SKFCR38X54X10HMSA10RG SKFIR33x37x13 SKFNN3092K/SPW33 SKFNNCF5011CV SKFNNCF5013CV SKFRNU2307

BA1B311745角接触球轴承近似的SKF轴承型号

SKFBA1B311745 SKFBA1B311712 SKFBA2B309492

用户关注最多的轴承狗热门型号

SKF  7326B/DB DKF  7200B/DT FAG  SD556-N-FZ-BL-L + 22256-B-K-MB SKF  NU210ECM* SKF  CR26X38X7HMS1R SKF  4302ATN9 国产  352217 SKF  CR99850 MAC  N304 SKF  NJ219ECJ* FAG  BND2256-H-W-T-BL-S NMB  RF-620ZZY52 LYC  591/750 M/P5 NSK  ZM-UCFL206-102D1 IKO  CRW1-50

版权所有©2009-2015 轴承狗zcgou.com ICP备案:津ICP备14004550号-13