SKFCR401501轴承详细参数

发布时间:2026-05-30
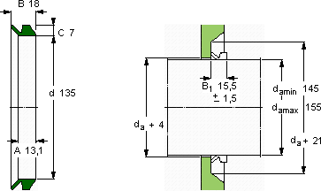
V形环密封件, VR2 设计
V形环密封件
da d A B C
最小 最大
mm mm - - - -
14515513513,1187VR2RCR 401501401501

SKFCR401501V型圈密封供应商

八零动力专业销售CR401501V型圈密封,库存SKFCR401501大量现货,与SKF合作,咨询热线:022-58519723业务咨询
SKFCR401501承载无限可能,它的品质卓越,为机械设备的高效、稳定运行保驾护航它的滚动体分布均匀,运转平稳无振动 它的静音设计,让机械运转如丝般顺滑 坚固的结构稳定的性能转动不停歇,八零动力SKFV型圈密封品种全,价格优,质量有保证!

用户关注最多的SKF轴承型号

SKF21316CCK+H316 SKF2209EKTN9 SKF3209ATN9 SKF61914-RZ SKF52312 SKF539/532A SKF722517A SKFCR30X50X8HMS5V SKFCR360x400x20HDS1V SKFCR36361 SKFCR50X80X10HMS5RG SKFGEP400FS SKFLM29749/711/QCL7CVA607 SKFP1.3/4TR SKFPF1.15/16WF

CR401501V型圈密封近似的SKF轴承型号

SKFCR401501 SKFCR401500 SKFCR401502

用户关注最多的轴承狗热门型号

STEYR  52411 NTN  24156BK30+AH24156H FAG  ZRB48X65-QP INA  PHE25 MAC  NUP307 STEYR  32009 MRC  3213 KOYO  47T605035 SKF  GS81213 NTN  23226B LYC  61860 M/C5 SKF  FYR3-3 TORRINGTON&FAFNIR  6309-2RS 国产  NU2217M LYC  22312 CK

版权所有©2009-2015 轴承狗zcgou.com ICP备案:津ICP备14004550号-13