SKFBA2B309492轴承详细参数

发布时间:2026-05-30
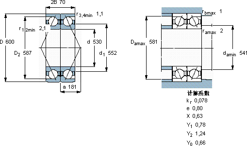
角接触球轴承, 单列,用于配对安装, 背对背配对
主要数据尺寸 基本负荷额定值 疲劳负荷限值 额定速度 体积 型号 轴承配对
动态 静态 参照速度 限制速度
d D 2B C C0 Pu
mm kN kN r/min kg --
5306007034510001870095024,5BA2B 309492DB1

SKFBA2B309492角接触球轴承供应商

八零动力专业销售BA2B309492角接触球轴承,库存SKFBA2B309492大量现货,与SKF合作,咨询热线:022-58519723业务咨询
SKFBA2B309492它在机器人领域的应用,展现了它的高精密性 高精度的制造工艺,让这款轴承的性能更加出色它的精密制造工艺,让人叹为观止 它的滚动体与沟槽的配合,堪称完美 它的滚动体分布均匀,运转平稳无振动 它的故障率极低,确保了设备的稳定运行 ,八零动力SKF角接触球轴承品种全,价格优,质量有保证!

用户关注最多的SKF轴承型号

SKF215 SKF234724B SKF6307-2RS SKF7413BCBM SKFAOH3164G SKFCR2200580 SKFCR38691 SKFCR4623 SKFCR54931 SKFCR58x80x8CRW1R SKFCR85x110x10CRWA1V SKFLM48548/510/Q SKFNCF3013CV SKFNU1880MP SKFSNL3052

BA2B309492角接触球轴承近似的SKF轴承型号

SKFBA2B309492 SKFBA1B311745 SKFBA2B309601A

用户关注最多的轴承狗热门型号

NSK  7003ATYNSULP4 TIMKEN  160RT92 TIMKEN  842/32 NTN  K40×46×17 FYH  UCK207 SKF  GEZ208TXE-2LS SKF  NKI30/30 NTN  K40×45×17 FLT  NU1092 ZKL  N305 LYC  133.60.4130.03 SKF  CR595110 LYC  352968 X2/P5 IKO  NAX4032 IKO  IRT1222

版权所有©2009-2015 轴承狗zcgou.com ICP备案:津ICP备14004550号-13