SKF2x7412BGAM轴承详细参数

发布时间:2026-04-23
角接触球轴承, 单列,用于配对安装, 面对面配对
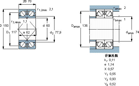
主要数据尺寸 基本负荷额定值 疲劳负荷限值 额定速度 体积 型号 轴承配对
动态 静态 参照速度 限制速度
d D 2B C C0 Pu
mm kN kN r/min kg --
60150701901737,2450056006,602 × 7412 BGAMDF

SKF2x7412BGAM角接触球轴承供应商

八零动力专业销售2x7412BGAM角接触球轴承,库存SKF2x7412BGAM大量现货,与SKF合作,咨询热线:022-58519723业务咨询
SKF2x7412BGAM高品质的轴承,在各种复杂环境下都能稳定发挥作用它的尺寸精度,达到了微米级的极致 轴承的耐用性极佳,能够承受高强度的工作负荷稳定持久它的质量过硬,为机械设备的高效、安全运行提供了保障它的加工精度,确保了机械运转的稳定性 ,八零动力SKF角接触球轴承品种全,价格优,质量有保证!

用户关注最多的SKF轴承型号

SKF241/800ECAK30/W33+AOH241/800G SKF30217J2/Q SKF36990/36920 SKF510/900M SKF51284F SKFBC4-8046/HB1 SKFCR20079 SKFCR22565 SKFCR34379 SKFCR35X72X12HMSA10V SKFCR600x640x20HDS1V SKFN12 SKFNJ321ECP* SKFNUP2216ECP* SKFPWM190210150

2x7412BGAM角接触球轴承近似的SKF轴承型号

SKF7412BGAM SKF7412BCBM SKF2x7412BGAM SKF7412BM SKF2x7412BCBM SKF2x7412BCBM SKF2x7413BCBM

用户关注最多的轴承狗热门型号

NTN  24036BK30 TIMKEN  HMV-102 NTN  23276BK+H3276 INA  ZKLF3590-2RS-PE FAG  HSS7008-C-T-P4S FAG  SNV215-L + 1320-K-M-C3 + H320X310 + TSV620X310 LYC  22209 CA/W33 LYC  32309/P5 BARDEN  71907C/DF TIMKEN  280RU30 SKF  60/750MA INA  RWS1808-225/x225/x124 NACHI  NN3012K NTN  23180CAC/W33 SKF  PWM9010580

版权所有©2009-2015 轴承狗zcgou.com ICP备案:津ICP备14004550号-13