SKFCR410503轴承详细参数

发布时间:2026-05-29
V形环密封件, VR4 设计
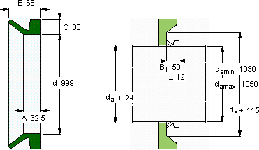
V形环密封件
da d A B C
最小 最大
mm mm - - - -
1030105099932,56530VR4RCR 410503410503

SKFCR410503V型圈密封供应商

八零动力专业销售CR410503V型圈密封,库存SKFCR410503大量现货,与SKF合作,咨询热线:022-58519723业务咨询
SKFCR410503制造工艺精湛,使得这款轴承在运转时更加顺畅平稳设计合理、性能优良的它,是机械设备实现高效运行的重要保障它在冶金设备中的应用,确保了设备的高温性能 始终顺滑如初,设计独特的轴承,不仅性能优越,还具有很高的性价比优秀的轴承,就像精密仪器的心脏,确保着整个系统的高效运转,八零动力SKFV型圈密封品种全,价格优,质量有保证!

用户关注最多的SKF轴承型号

SKF32048T172X/DB SKF3205A-2RS SKFAH24138 SKFAS1528 SKFC3076KM+AOH3076G* SKFC3176KMB+OH3176HE* SKFCR4914 SKFCR55X70X8HMS5V SKFFSNL616TURU SKFNU2305ECP SKFP1.FM SKFW61905 SKFW628/4-2Z SKFYAR205-100-2FW/VA228 SKFYHC210-108-2LS8W/VT357

CR410503V型圈密封近似的SKF轴承型号

SKFCR410503 SKFCR410500 SKFCR410603

用户关注最多的轴承狗热门型号

AET  NU2215 INA  PAPZ3224-P14 TIMKEN  EE244180/244236CD/X1S-244180 NSK  22216EAE4 SKF  NJ214ECP KOYO  4TR550C LYC  352226 X2K2-2RZ SKF  MB16A KOYO  2319K+H2319 BARDEN  7034AC/DF NACHI  5200Z SKF  230/630CAK/W33+AOH30/630* INA  KS25 NSK  NU1008 IKO  CH32VB

版权所有©2009-2015 轴承狗zcgou.com ICP备案:津ICP备14004550号-13