SKF7409BGBM轴承详细参数

发布时间:2026-04-15
角接触球轴承, 单列
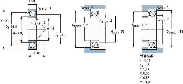
主要数据尺寸 尺寸 [英寸] 疲劳负荷限值 额定速度 体积 型号
动态 静态 参照速度 限制速度
d D B C C0 Pu
mm kN kN r/min kg -
451202985,2552,36700075001,807409 BGBM

SKF7409BGBM角接触球轴承供应商

八零动力专业销售7409BGBM角接触球轴承,库存SKF7409BGBM大量现货,与SKF合作,咨询热线:022-58519723业务咨询
SKF7409BGBM这轴承的设计简直精妙绝伦,每一处细节都彰显着极致的工艺美学其设计和制造工艺都达到了国际先进水平,是一款优质轴承承载重载历经岁月它的抗压强度,让它承载能力惊人 它的密封性能,减少了润滑剂的泄漏 这轴承的设计精妙,充分考虑了各种实际应用需求,八零动力SKF角接触球轴承品种全,价格优,质量有保证!

用户关注最多的SKF轴承型号

SKF24056CC/W33 SKF240/900ECA/W33 SKF7030CD/P4A SKF71916ACE/HCP4A SKF7311BEGAP* SKF89314TN SKFBC4B635122 SKFCR38x80x8CRW1R SKFCR9515 SKFCR99291 SKFGEM80ES-2RS SKFNU322ECJ* SKFPCMW325401.5M SKFPCZ3640M SKFYEL209-112-2FCW

7409BGBM角接触球轴承近似的SKF轴承型号

SKF7409BGBM SKF7409BCBM SKF7409BGM SKF2x7409BGBM SKF2x7409BCBM SKF2x7409BGM SKF7409BCBM SKF7409BGM

用户关注最多的轴承狗热门型号

SKF  SYH1.3/8TF/AH FAG  6019-2RSR TIMKEN  55200C/55433D/X4S-55200 LYC  23996 K LYC  6903-2Z MRC  7021C/DT NACHI  H-25590/H-25520 SKF  IR22x26x20 SKF  CR10X20X6HMSA10RG SKF  1985/1922/Q 国产  629-RS SKF  71909CE/P4A 国产  NUP318E SKF  71817CD/HCP4A LYC  LM249747TD/LM249710/P6

版权所有©2009-2015 轴承狗zcgou.com ICP备案:津ICP备14004550号-13