SKF7407BCBM轴承详细参数

发布时间:2026-05-30
角接触球轴承, 单列
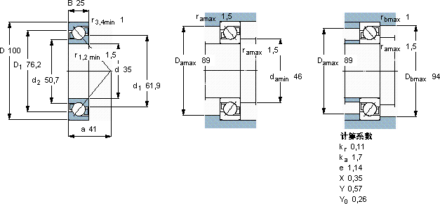
主要数据尺寸 尺寸 [英寸] 疲劳负荷限值 额定速度 体积 型号
动态 静态 参照速度 限制速度
d D B C C0 Pu
mm kN kN r/min kg -
351002560,5381,6850090001,107407 BCBM

SKF7407BCBM角接触球轴承供应商

八零动力专业销售7407BCBM角接触球轴承,库存SKF7407BCBM大量现货,与SKF合作,咨询热线:022-58519723业务咨询
SKF7407BCBM其质量上乘,是众多机械设备不可或缺的优质配件该轴承的性能优越,极大地提高了设备的工作效率它的抗磨损涂层,让它更加耐用 优秀的设计和卓越的性能,让这款轴承备受青睐坚固耐用性能优越的轴承,极大地提升了设备的工作性能和效率,八零动力SKF角接触球轴承品种全,价格优,质量有保证!

用户关注最多的SKF轴承型号

SKF2219K SKF71903C SKF71918ACD/P4A SKFCR407502 SKFCR99094 SKFCR9967 SKFJHM720249/210/Q SKFJL69349A/310/Q SKFN1015KTN/HC5SP SKFN1021KTN9/HC5SP SKFS7019ACD/HCP4A SKFSDAF22320 SKFSDAF23180 SKFYAR210-115-2F SKFYEL206-102-2FCW

7407BCBM角接触球轴承近似的SKF轴承型号

SKF2x7407BCBM SKF7407BM SKF7407BCBM SKF7406BM SKF7407BM

用户关注最多的轴承狗热门型号

LYC  7015 AC/DB LYC  6216 E-Z 国产  RNA5008X2A NTN  61900-ZN SKF  SYH1.1/2TF NTN  NUP208 INA  GE25-UK SKF  30313J2/Q KOYO  62/22-Z NTN  61805N LYC  6211 E-2RZ/P5Z1 FAG  231SM280-MA SKF  HK3024.2RS SKF  6304 IKO  CR10-1UUR

版权所有©2009-2015 轴承狗zcgou.com ICP备案:津ICP备14004550号-13