SKF7406BM轴承详细参数

发布时间:2026-05-30
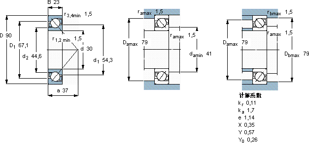
角接触球轴承, 单列
主要数据尺寸 尺寸 [英寸] 疲劳负荷限值 额定速度 体积 型号
动态 静态 参照速度 限制速度
d D B C C0 Pu
mm kN kN r/min kg -
30902347,5291,2210000100000,857406 BM

SKF7406BM角接触球轴承供应商

八零动力专业销售7406BM角接触球轴承,库存SKF7406BM大量现货,与SKF合作,咨询热线:022-58519723业务咨询
SKF7406BM品质卓越的它,为机械设备的稳定、高效运行提供了支持要设备更出色它在电子设备中的应用,展现了它的高精密性 它在风力发电中的应用,为清洁能源贡献力量 它在印刷机械中的应用,展现了它的高精度 这款轴承的性能卓越,有效提升了设备的整体性能和可靠性,八零动力SKF角接触球轴承品种全,价格优,质量有保证!

用户关注最多的SKF轴承型号

SKF2202 SKF316624 SKF32240 SKF6312-2Z/VA208 SKFCR22359 SKFFYRP1.3/4-18 SKFHN1816 SKFIR25x30x32 SKFNJ2305E+HJ2305E SKFNJ248MA SKFNN3013TN/SP SKFNN3060K/SPW33 SKFOKBS90 SKFPCZ1114B SKFPCZ6460M

7406BM角接触球轴承近似的SKF轴承型号

SKF2x7406BCBM SKF7406BM SKF7406BCBM SKF7406BCBM SKF7407BCBM

用户关注最多的轴承狗热门型号

SKF  23088CAK/W33+AOHX3088G* SKF  CR630x674x20HDS1R 国产  1208K FAG  LOE232-N-AF-L INA  KA10-TN SKF  2302 SKF  6012N MAC  NJ2228 FAG  3816-B-2RSR-TVH TIMKEN  G1110KRRB KOYO  2213K+H313 FAG  N314-E-TVP2 LYC  352132 IKO  CR24VR IKO  CRW15-400

版权所有©2009-2015 轴承狗zcgou.com ICP备案:津ICP备14004550号-13