SKF7407BM轴承详细参数

发布时间:2026-05-30
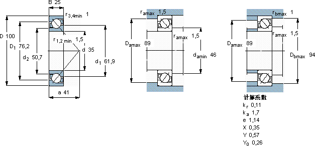
角接触球轴承, 单列
主要数据尺寸 尺寸 [英寸] 疲劳负荷限值 额定速度 体积 型号
动态 静态 参照速度 限制速度
d D B C C0 Pu
mm kN kN r/min kg -
351002560,5381,6850090001,107407 BM

SKF7407BM角接触球轴承供应商

八零动力专业销售7407BM角接触球轴承,库存SKF7407BM大量现货,与SKF合作,咨询热线:022-58519723业务咨询
SKF7407BM高精度的制造工艺,让这款轴承的性能更加出色这款轴承的运转十分平稳,几乎感受不到任何震动它在冶金设备中的应用,确保了设备的高温性能 承载重托它在轨道交通中的应用,确保了列车的安全运行 它虽小,却是工业革命的基石 ,八零动力SKF角接触球轴承品种全,价格优,质量有保证!

用户关注最多的SKF轴承型号

SKF22209CCK/W33+H309 SKF23048CCK/W33+OH3048H* SKF23230CCK/W33 SKF70/600AGMB SKF71908C/DF SKFC3134K+H3134L* SKFCR350x400x25.4HS5R SKFCR51320 SKFCR80x105x10CRW1R SKFFSNL620TURU SKFFYRP3.11/16 SKFFYTBKC20NTR/VE495 SKFHA306 SKFHMV56E SKFPCM9095100M

7407BM角接触球轴承近似的SKF轴承型号

SKF7407BCBM SKF2x7407BCBM SKF7407BM SKF7407BCBM SKF7408BCBM

用户关注最多的轴承狗热门型号

GMN  7016C/DF NSK  90BER19H 国产  63/28-RS SKF  CR12336 NACHI  30344 SKF  N1020KTN9/HC5SP NACHI  SN609E NACHI  755/752 SKF  CR28X38X8HMS5V 国产  HK2216 KOYO  7228AC/DF NSK  7203ATYNP5 SKF  234413B LYC  LRN 650 L SKF  CR17627

版权所有©2009-2015 轴承狗zcgou.com ICP备案:津ICP备14004550号-13