SKF7322BEY轴承详细参数

发布时间:2026-05-31
角接触球轴承, 单列
主要数据尺寸 尺寸 [英寸] 疲劳负荷限值 额定速度 体积 型号
动态 静态 参照速度 限制速度
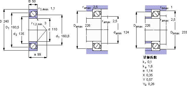
d D B C C0 Pu
mm kN kN r/min kg -
110240502252247,2320032009,697322 BEY

SKF7322BEY角接触球轴承供应商

八零动力专业销售7322BEY角接触球轴承,库存SKF7322BEY大量现货,与SKF合作,咨询热线:022-58519723业务咨询
SKF7322BEY它的耐高温性能,让它在极端环境下依然稳定运行 这轴承的稳定性极佳,在高速运转时也能保持良好状态轴承的稳定性和可靠性都十分出色,赢得了用户的信赖先进的制造技术和严格的质量控制,造就了这款优质轴承它在电子设备中的应用,展现了它的高精密性 该轴承的性能出色,有效提升了机械设备的整体性能,八零动力SKF角接触球轴承品种全,价格优,质量有保证!

用户关注最多的SKF轴承型号

SKF22332CCK/W33* SKF2x7207BEGBP* SKF32044X/DF SKF331682 SKF619/710MA SKF7018FB/P7 SKFCR22363 SKFCR34x52x13CRSA1R SKFCR412500 SKFCR80X105X10HMS5V SKFN330E SKFNU334M SKFPCZ6448B SKFYAR206-103-2FW/VA201 SKFYAR208-108-2F

7322BEY角接触球轴承近似的SKF轴承型号

SKF7322BEGAM SKF7322BEP SKF7322BECBY SKF7322B/DF SKF7322BECBM SKF7322BEP SKF7322BEM SKF7322BEY SKF7322BECCM SKF7322BECBP* SKF7322BEP SKF7324B

用户关注最多的轴承狗热门型号

KOYO  NF222 NSK  7028CTYNDBLP4 KOYO  7218AC/DT INA  LFZ8 LYC  30313 X2B/01 TIMKEN  301K NSK  7005CTY SKF  CR9307 LYC  FCDP 96136500/P5/外组件 ZKL  NU234 LYC  02420 TIMKEN  40FSH68-TT SKF  CR31825 FAG  1211-TVH KOYO  22313RHR

版权所有©2009-2015 轴承狗zcgou.com ICP备案:津ICP备14004550号-13