SKF7322BEM轴承详细参数

发布时间:2026-04-15
角接触球轴承, 单列
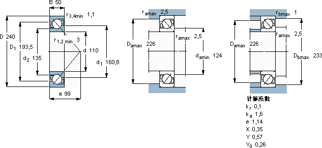
主要数据尺寸 尺寸 [英寸] 疲劳负荷限值 额定速度 体积 型号
动态 静态 参照速度 限制速度
d D B C C0 Pu
mm kN kN r/min kg -
110240502252247,23200340010,77322 BEM

SKF7322BEM角接触球轴承供应商

八零动力专业销售7322BEM角接触球轴承,库存SKF7322BEM大量现货,与SKF合作,咨询热线:022-58519723业务咨询
SKF7322BEM这轴承的精度控制令人佩服,为设备的精准运行提供了保障匠心制造高品质的轴承,在各种复杂环境下都能稳定发挥作用它的润滑技术,让摩擦降至最低 先进的制造技术和严格的质量检测,造就了这款优质轴承它的轴向游隙控制,精准到令人惊叹 ,八零动力SKF角接触球轴承品种全,价格优,质量有保证!

用户关注最多的SKF轴承型号

SKF2208E-2RS1TN9 SKF32005X/Q SKF6032M SKF70/500BM SKF71910ACE/P4A SKF7316BEP SKFAHX3024 SKFCR13812 SKFCR97064 SKFFYTJ1.1/2TF SKFGS81148 SKFKMT20 SKFSAF22622 SKFSNL30/530GF SKFTVN309WA

7322BEM角接触球轴承近似的SKF轴承型号

SKF7322BECBP SKF7322BECCM SKF7322B/DT SKF2x7322BECBM SKF2x7322BEGBM SKF7322BECBY SKF2x7322BECCM SKF7322BEY SKF7322B/DF SKF7322BECBY SKF7322BEGBM SKF7322BEP

用户关注最多的轴承狗热门型号

SKF  29288 SKF  NA6912 SNR  7015AC/DF SKF  NU420 SKF  NCF2938CV FAG  H2308X105 NSK  NA6910 FYH  UCFU210 FAG  3006-B-2RSR-TVH NACHI  28682/28622 LYC  NU 2318 ECP INA  K95X103X30 IKO  AS100135 IKO  AS6590 IKO  AZ18024045

版权所有©2009-2015 轴承狗zcgou.com ICP备案:津ICP备14004550号-13