SKF7321BECBM轴承详细参数

发布时间:2026-05-31
角接触球轴承, 单列
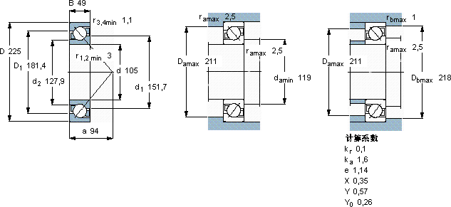
主要数据尺寸 尺寸 [英寸] 疲劳负荷限值 额定速度 体积 型号
动态 静态 参照速度 限制速度
d D B C C0 Pu
mm kN kN r/min kg -
105225492031936,4340036009,127321 BECBM

SKF7321BECBM角接触球轴承供应商

八零动力专业销售7321BECBM角接触球轴承,库存SKF7321BECBM大量现货,与SKF合作,咨询热线:022-58519723业务咨询
SKF7321BECBM它的精密制造工艺,让人叹为观止 转动世界的精密之选,优秀的设计理念和精湛的制造工艺,成就了这款杰出的轴承其设计和制造工艺都达到了国际先进水平,是一款优质轴承卓越的性能表现,让这款轴承在市场上脱颖而出轴承的精度极高,使得设备的运行误差被控制在极小范围内,八零动力SKF角接触球轴承品种全,价格优,质量有保证!

用户关注最多的SKF轴承型号

SKF21311EK+AHX311* SKF32211 SKF6009-2RS SKF7309BEGAP* SKF7311BEGAP* SKFC3984KM* SKFCR7X16X7HMSA10RG SKFCR95620 SKFGS81117 SKFN218E SKFNUP2216ECP SKFPCM10010550B SKFSI35ES-2RS SKFSNL3196F SKFYEL211-2F

7321BECBM角接触球轴承近似的SKF轴承型号

SKF7321B/DT SKF7321BEP SKF7321B/DF SKF2x7321BECAM SKF7321B/DB SKF7321BEP SKF7321BECBP SKF7321B SKF7321BECAM SKF7321BECBM SKF7321BECAM SKF7321BECBP*

用户关注最多的轴承狗热门型号

SKF  71964CD/P4A SKF  SNW116x2.3/4 SNR  7313AC/DT SKF  NJ217ECML* TIMKEN  24780/24720XD KOYO  NU2238R SKF  230/1060CAKF/W33+AOH30/1060 FAG  HS7016-C-T-P4S NACHI  E21147 LYC  NU 314 M/P6S0 LYC  6204 EN-2RS/P63 NSK  NU2318W NACHI  6904ZENR MRC  6213 MRC  7202C/DB

版权所有©2009-2015 轴承狗zcgou.com ICP备案:津ICP备14004550号-13