SKF7321BEP轴承详细参数

发布时间:2026-05-31
角接触球轴承, 单列
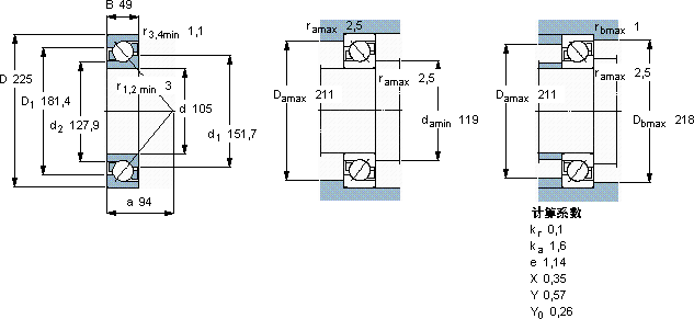
主要数据尺寸 尺寸 [英寸] 疲劳负荷限值 额定速度 体积 型号
动态 静态 参照速度 限制速度
d D B C C0 Pu
mm kN kN r/min kg -
105225492122086,95340034008,467321 BEP

SKF7321BEP角接触球轴承供应商

八零动力专业销售7321BEP角接触球轴承,库存SKF7321BEP大量现货,与SKF合作,咨询热线:022-58519723业务咨询
SKF7321BEP它的轴向跳动控制,确保了机械的平稳运行 它的抗冲击性能,让它经得起各种考验 它的抗震性能,确保了它在振动环境下的可靠性 它的品质卓越,为机械设备的高效、稳定运行保驾护航机械的心脏它在食品机械中的应用,展现了它的卫生性能 ,八零动力SKF角接触球轴承品种全,价格优,质量有保证!

用户关注最多的SKF轴承型号

SKF16017* SKF22334CCK/W33 SKF23280CACK/W33 SKF6211-2RS1/W64* SKF7026AC/DT SKFCR18X40X7HMS5RG SKFCR2150380 SKFCR440x480x22.23HDSA2V SKFFBSA208/DF SKFFYT1.5/16FM SKFHA3036x6.5/16 SKFNJ202E SKFNU1010 SKFSAF23044KAx7.15/16 SKFSNW3038x6.7/8

7321BEP角接触球轴承近似的SKF轴承型号

SKF2x7321BECAM SKF7321B/DT SKF7321B/DF SKF7321BECBP* SKF7321B SKF7321BECBM SKF7321B/DB SKF7321BECAM SKF2x7321BEGAM SKF2x7321BECBP* SKF7321BEGAM SKF7322B

用户关注最多的轴承狗热门型号

NACHI  6022ZZ KOYO  23226CC/W33 国产  7318BTN1 STEYR  7300B SKF  2320M 国产  HM252343/10 NSK  7230C NSK  7236ADT KOYO  1220 LYC  6908 ZZ NSK  NNU4921MBKR SKF  CR36220 LYC  22317 CA/C3W33 SKF  81180 IKO  KT303517

版权所有©2009-2015 轴承狗zcgou.com ICP备案:津ICP备14004550号-13