SKF7321BECBP*轴承详细参数

发布时间:2026-05-31
角接触球轴承, 单列
主要数据尺寸 尺寸 [英寸] 疲劳负荷限值 额定速度 体积 型号
动态 静态 参照速度 限制速度
d D B C C0 Pu * - SKF Explorer 轴承
mm kN kN r/min kg -
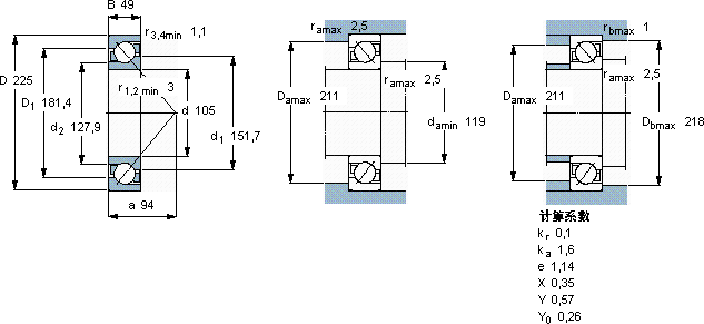
105225492282287,5380038008,467321 BECBP *

SKF7321BECBP*角接触球轴承供应商

八零动力专业销售7321BECBP*角接触球轴承,库存SKF7321BECBP*大量现货,与SKF合作,咨询热线:022-58519723业务咨询
SKF7321BECBP*它的长寿命,减少了资源浪费 它的精密性,让它在高精度设备中无可替代 它的质量卓越,为机械设备的安全运行保驾护航它在农业机械中的应用,展现了它的耐用性 质量无可比拟的轴承,在行业内树立了良好的品质标杆它的高效率,让机械运转更加节能 ,八零动力SKF角接触球轴承品种全,价格优,质量有保证!

用户关注最多的SKF轴承型号

SKF16019* SKF22334CCJA/W33VA405* SKF24064CC/W33* SKFBTM100A/HCP4CDBB SKFC2209KTN9+AH309* SKFCR22X40X7HMSA10RG SKFFYJ90TF SKFHK0812.2RS SKFK100x108x30 SKFKD21-304 SKFN04 SKFSNW10x1.3/4 SKFSNW128x4.7/16 SKFSTO15 SKFSYR3.H

7321BECBP*角接触球轴承近似的SKF轴承型号

SKF7321B/DF SKF7321BEP SKF7321B SKF7321BEP SKF7321BEGAM SKF7321BECBM SKF2x7321BECBP* SKF2x7321BECBM SKF2x7321BECAM SKF7321B/DT SKF7321BECBM SKF7321BEGAM

用户关注最多的轴承狗热门型号

NSK  8BGR10S KOYO  7214AC/DT KOYO  7011AC/DB ASK  NU2317 SKF  UELFU211 FLT  NU2217 SKF  CR11908 TIMKEN  HM535349/HM535310 LYC  633295 KOYO  313812W 国产  99468 SKF  NNCF5009CV MRC  7302C LYC  1207 IKO  CH44VUU

版权所有©2009-2015 轴承狗zcgou.com ICP备案:津ICP备14004550号-13