SKF7315BECBP*轴承详细参数

发布时间:2026-04-15
角接触球轴承, 单列
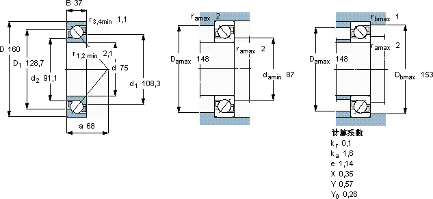
主要数据尺寸 尺寸 [英寸] 疲劳负荷限值 额定速度 体积 型号
动态 静态 参照速度 限制速度
d D B C C0 Pu * - SKF Explorer 轴承
mm kN kN r/min kg -
75160371321044,15530053003,067315 BECBP *

SKF7315BECBP*角接触球轴承供应商

八零动力专业销售7315BECBP*角接触球轴承,库存SKF7315BECBP*大量现货,与SKF合作,咨询热线:022-58519723业务咨询
SKF7315BECBP*它的圆度误差几乎可以忽略不计 它在食品机械中的应用,展现了它的卫生性能 顺滑无声它的精密装配,确保了整体性能的卓越 精湛的制造工艺赋予了这款轴承出色的性能和可靠性设计独特、性能优越的轴承,满足了不同用户的需求,八零动力SKF角接触球轴承品种全,价格优,质量有保证!

用户关注最多的SKF轴承型号

SKF32968 SKF2x7309BECBJ SKF61913 SKF718/1250AMB SKF7212BECBP* SKFBS2-2211-2CSK/VT143* SKFBSA201CG SKFCR405603 SKFCR64X80X13CRSH11R SKFK24x30x17 SKFNU3240ECM SKFPFT25FM SKFSC71908FB/P7 SKFSIJ30ES SKFSNL522-619

7315BECBP*角接触球轴承近似的SKF轴承型号

SKF2x7315BECBPH* SKF7315B/DF SKF2x7315BEGBP* SKF2x7315BECBJ SKF7315BECBM* SKF7315B SKF7315BEGAM* SKF2x7315BEGAM* SKF7315BECBM SKF7315BECBPH* SKF7315BECBM* SKF7315BECBPH*

用户关注最多的轴承狗热门型号

国产  61952M FAG  SNV140-L + 1313-K-TVH-C3 + H313 + DHV613 国产  6218-Z GMN  7219C/DF FAG  B71900-C-2RSD-T-P4S BARDEN  71934C/DF NACHI  23048A2XW33 FAG  LOE234-N-AL-L ZKL  30219 RIV  NF2317 ZKL  NJ2216 NACHI  28985/28921 NTN  UCP306 NTN  7905CDF SKF  C3980KM+OH3980HE*

版权所有©2009-2015 轴承狗zcgou.com ICP备案:津ICP备14004550号-13