SKFNUP2315ECML*轴承详细参数

发布时间:2026-05-31
圆柱滚子轴承, 单列, NUP 设计
主要数据尺寸 基本负荷额定值 疲劳负荷限值 额定速度 体积 型号 适宜的斜挡圈
动态 静态 参照速度 限制速度 型号
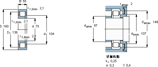
d D B C C0 Pu * - SKF Explorer 轴承
mm kN kN r/min kg - -
751605538040050450080005,10NUP 2315 ECML *-

SKFNUP2315ECML*圆柱滚子轴承供应商

八零动力专业销售NUP2315ECML*圆柱滚子轴承,库存SKFNUP2315ECML*大量现货,与SKF合作,咨询热线:022-58519723业务咨询
SKFNUP2315ECML*它在家用电器中的应用,让生活更加便捷 它的滚动体分布均匀,运转平稳无振动 它的可靠性,赢得了无数用户的信赖 高品质的轴承,在各种复杂工况下都能展现出卓越的性能表现设计合理、性能优良的它,是机械设备稳定运行的重要保障它在印刷机械中的应用,展现了它的高精度 ,八零动力SKF圆柱滚子轴承品种全,价格优,质量有保证!

用户关注最多的SKF轴承型号

SKF21311EK+AHX311* SKF23132CCK/W33+AH3132G* SKF232/750CAF/W33 SKF24122CC/W33* SKF32011 SKF32217J2/Q SKF33015/Q SKF7234AC/DT SKFCR400400 SKFCR520x580x20HDS2R SKFHK1620.2RS SKFP72R-1.3/16WF SKFPCM505530B SKFRN-4x27.8BF/G2 SKFSY30FM

NUP2315ECML*圆柱滚子轴承近似的SKF轴承型号

SKFNJ2315E SKFNUP2315ECML* SKFNU2315E SKFNU2315ECP SKFNUP2315ECP* SKFNJ2315ECN2ML* SKFNJ2315E+HJ2315E SKFNJ2315ECP SKFNJ2315ECML* SKFNJG2315VH SKFNUP2315ECP SKFNUP2315ECP*

用户关注最多的轴承狗热门型号

RHP  6000 MRC  7321B SKF  CR23641 SKF  51310 SKF  AXK5578 SKF  NJ2216E KOYO  3213A RHP  6214-2Z KOYO  52318 FAG  BND2213-Z-T-AL-S FAG  LOE517-N-AF-L NTN  234738B TIMKEN  74525 /74850-B IKO  CF10-1VR IKO  CRW18-800

版权所有©2009-2015 轴承狗zcgou.com ICP备案:津ICP备14004550号-13