SKF7314BECBM*轴承详细参数

发布时间:2026-05-29
角接触球轴承, 单列
主要数据尺寸 尺寸 [英寸] 疲劳负荷限值 额定速度 体积 型号
动态 静态 参照速度 限制速度
d D B C C0 Pu * - SKF Explorer 轴承
mm kN kN r/min kg -
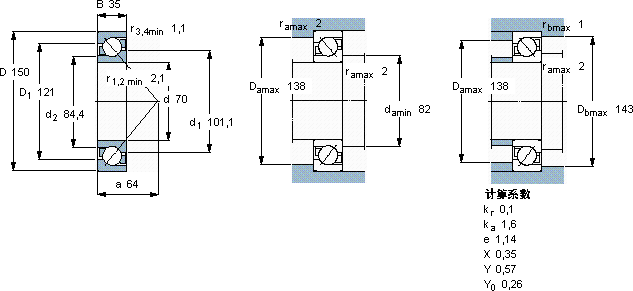
7015035127983,9560056002,837314 BECBM *

SKF7314BECBM*角接触球轴承供应商

八零动力专业销售7314BECBM*角接触球轴承,库存SKF7314BECBM*大量现货,与SKF合作,咨询热线:022-58519723业务咨询
SKF7314BECBM*这轴承的设计精妙,充分考虑了各种实际应用需求设计合理、性能优良的轴承,是机械设备的理想之选承载未来轴承的精度极高,使得设备的运行误差被控制在极小范围内制造工艺精湛,使得这款轴承在运转时更加顺畅平稳它的静音设计,让机械运转如丝般顺滑 ,八零动力SKF角接触球轴承品种全,价格优,质量有保证!

用户关注最多的SKF轴承型号

SKF7322B/DF SKFBS2B321598 SKFCR28X40X7HMS5RG SKFCR45x60x8CRW1V SKFCR68x95x10CRW1R SKFCR990x1045x25HDS1R SKFHA2320x3.3/8 SKFN324E SKFNNCF5060CV SKFNUP234ECM SKFP1.5/8FM SKFQJ1256N2MA SKFQJ232N2MA* SKFSIA80TXE-2LS SKFSYR2.7/16H

7314BECBM*角接触球轴承近似的SKF轴承型号

SKF7314BECAP* SKF7314BEGBY SKF7314BECBY SKF2x7314BECAP* SKF7314B/DT SKF7314BECBJ SKF7314B/DB SKF2x7314BEGAP* SKF2x7314BEGAY SKF7314BECBPH* SKF7314BECBJ SKF7314BECBP*

用户关注最多的轴承狗热门型号

SKF  51076F LYC  TK-3201 NACHI  30221 NACHI  6311ZE MRC  7221AC 国产  N668M TIMKEN  HMV-45 国产  HF0612 NTN  NU2256 TIMKEN  M238849/M238810CD/M238849XB NTN  7000AC/DT NACHI  7200C SKF  2x7222BEGAF FAG  BND3056-H-C-Y-AL-S SKF  CR15910

版权所有©2009-2015 轴承狗zcgou.com ICP备案:津ICP备14004550号-13