SKF7309BECAP*轴承详细参数

发布时间:2026-04-16
角接触球轴承, 单列
主要数据尺寸 尺寸 [英寸] 疲劳负荷限值 额定速度 体积 型号
动态 静态 参照速度 限制速度
d D B C C0 Pu * - SKF Explorer 轴承
mm kN kN r/min kg -
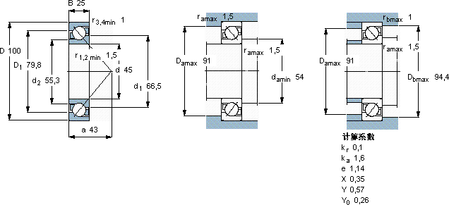
45100256140,51,73900090000,827309 BECAP *

SKF7309BECAP*角接触球轴承供应商

八零动力专业销售7309BECAP*角接触球轴承,库存SKF7309BECAP*大量现货,与SKF合作,咨询热线:022-58519723业务咨询
SKF7309BECAP*轴承的稳定性和可靠性都十分出色,赢得了用户的信赖它的润滑技术,减少了润滑剂的使用 它的密封性能,减少了润滑剂的泄漏 它的疲劳强度,确保了长期使用的可靠性 它的高效率,减少了能源消耗 优秀的轴承,就像精密仪器的心脏,确保着整个系统的高效运转,八零动力SKF角接触球轴承品种全,价格优,质量有保证!

用户关注最多的SKF轴承型号

SKF33 SKF71808ACD/HCP4 SKFC4022MB* SKFCR17257 SKFCR960x1000x25HDS1D SKFHN5025 SKFN2328 SKFNCF2938CV SKFNJ316E SKFPL48 SKFP17RM SKFPF1.3/16TF SKFSNL3134 SKFSNL505 SKFSY3/4TF/VA228

7309BECAP*角接触球轴承近似的SKF轴承型号

SKF7309BECBPH* SKF2x7309BEGBP* SKF2x7309BECAP* SKF7309BEGBY SKF2x7309BEGAP* SKF2x7309BEGBY SKF2x7309BECBPH* SKF7309BECBM SKF7309BECBP SKF2x7309BECBJ SKF7309BEY SKF7309BECBJ

用户关注最多的轴承狗热门型号

FAG  SNV320-L + 20330-MB + TSV330 SKF  NNU49/530/W33 THK  LB6090125 SKF  RNAO90x110x30 SNR  51156 NTN  6215-2RS KOYO  17098/244 LYC  NJ 316 M SKF  CR20X40X10HMS5V FAG  BND3056-H-C-Y-BL-S TIMKEN  HH224346DD/HH224310/HH224310EA FAG  SNV140-L + 1216-K-TVH-C3 + H216X211 + FSV516X211 RIV  N2208 LYC  9069352 IKO  CRY14VUUR

版权所有©2009-2015 轴承狗zcgou.com ICP备案:津ICP备14004550号-13