SKF7307BECBP*轴承详细参数

发布时间:2026-05-29
角接触球轴承, 单列
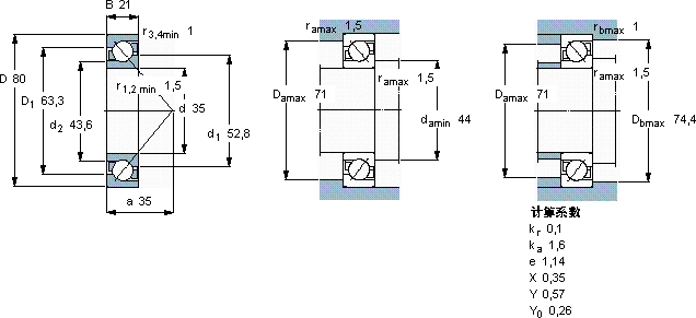
主要数据尺寸 尺寸 [英寸] 疲劳负荷限值 额定速度 体积 型号
动态 静态 参照速度 限制速度
d D B C C0 Pu * - SKF Explorer 轴承
mm kN kN r/min kg -
35802141,526,51,1411000110000,457307 BECBP *

SKF7307BECBP*角接触球轴承供应商

八零动力专业销售7307BECBP*角接触球轴承,库存SKF7307BECBP*大量现货,与SKF合作,咨询热线:022-58519723业务咨询
SKF7307BECBP*它的制造工艺,堪称工业艺术的典范 为您的机械提供持久动力,以精湛工艺让您的机械如虎添翼,它的耐高温性能,减少了冷却系统的能耗 轴承的精度极高,使得设备的运行误差被控制在极小范围内,八零动力SKF角接触球轴承品种全,价格优,质量有保证!

用户关注最多的SKF轴承型号

SKF2211E-2RS1KTN9+H311C SKF32004X/Q SKF626-2RSL* SKF61930MA SKFBFSD353262/HA4 SKFC2228K* SKFCR19x32x7HMS4R SKFCR23703 SKFCR300x332x16HDS2R SKFCR300x340x16HDS1R SKFCR45X55X7HMSA10V SKFCR70016 SKFCR80009 SKFIR50x58x22 SKFSAW23220

7307BECBP*角接触球轴承近似的SKF轴承型号

SKF7307B/DB SKF7307BEP SKF7307BEGBP* SKF7307BECBP* SKF2x7307BECBY SKF2x7307BEGBP* SKF7307BECBY SKF7307BEGAP* SKF7307BECBP SKF7307BECBM* SKF7307BECBM* SKF7307BECBY

用户关注最多的轴承狗热门型号

NACHI  6011-2NKE TIMKEN  A6067 /A6157-B FAG  234760-M-SP NMB  RF-1980ZZ KOYO  L555249/10 DKF  7322B/DB BARDEN  7244AC/DF MRC  6015-2Z 国产  6303X2-FS SKF  32036X SKF  61804-2RZ NSK  6003DDU TORRINGTON&FAFNIR  7030C NSK  RLM152316-1 SKF  CR27X41X10CRSH1R

版权所有©2009-2015 轴承狗zcgou.com ICP备案:津ICP备14004550号-13