SKF7219BEP轴承详细参数

发布时间:2026-04-14
角接触球轴承, 单列
主要数据尺寸 尺寸 [英寸] 疲劳负荷限值 额定速度 体积 型号
动态 静态 参照速度 限制速度
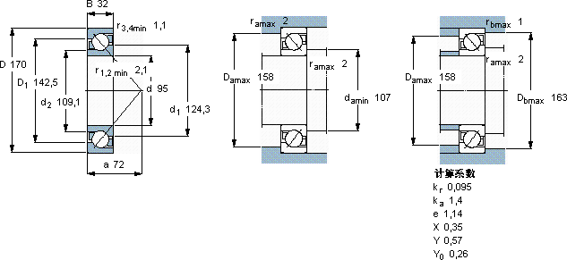
d D B C C0 Pu
mm kN kN r/min kg -
95170321241084430043002,687219 BEP

SKF7219BEP角接触球轴承供应商

八零动力专业销售7219BEP角接触球轴承,库存SKF7219BEP大量现货,与SKF合作,咨询热线:022-58519723业务咨询
SKF7219BEP就是选择高效与可靠承载未来它的设计巧妙,在保证性能的同时,还兼顾了安装的便捷性是您成功路上的得力助手,优秀的设计和卓越的性能,让这款轴承备受青睐它的品质卓越,为机械设备的高效运行提供了坚实后盾,八零动力SKF角接触球轴承品种全,价格优,质量有保证!

用户关注最多的SKF轴承型号

SKF16021* SKF24024CCK30/W33 SKF321542 SKF71909DB/P7 SKF71918CD/P4A SKFC7020FB/P7 SKFCR31333 SKFCR3300351 SKFCR4231 SKFCR86563 SKFFYJ40TF SKFNJG2309VH SKFPWM303630 SKFS71909DB/P7 SKFSAF23044KAx8

7219BEP角接触球轴承近似的SKF轴承型号

SKF7219B/DF SKF7219AC/DT SKF7219BEP SKF7219BEGAM* SKF7219BECBP* SKF7219C/DB SKF7219B/DB SKF7219C/DF SKF7219AC SKF7219BECBP SKF7219BEGAM* SKF7220AC

用户关注最多的轴承狗热门型号

NSK  NJ414 FAG  NUP2318-E-TVP2 KOYO  NU330E NSK  NU1014 SKF  S71907ACD/P4A INA  NKIA5906 SKF  30204J2/Q FAG  SD544-N-FZ-BL-L + 22244-B-K-MB TIMKEN  HH221449/HH221410DC/HH221449XA SKF  OH30/500H INA  GF40-DO ASAHI  UCFU208 SKF  W639/1.5-2Z FAG  SNV085-L + 22209-E1-K + H309X107 + TSV509X107 IKO  LRXDC12...SL

版权所有©2009-2015 轴承狗zcgou.com ICP备案:津ICP备14004550号-13