SKF7219BECBP*轴承详细参数

发布时间:2026-05-30
角接触球轴承, 单列
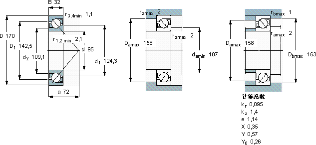
主要数据尺寸 尺寸 [英寸] 疲劳负荷限值 额定速度 体积 型号
动态 静态 参照速度 限制速度
d D B C C0 Pu * - SKF Explorer 轴承
mm kN kN r/min kg -
95170321291184,4480048002,687219 BECBP *

SKF7219BECBP*角接触球轴承供应商

八零动力专业销售7219BECBP*角接触球轴承,库存SKF7219BECBP*大量现货,与SKF合作,咨询热线:022-58519723业务咨询
SKF7219BECBP*它的低摩擦设计,减少了能量损耗 制造工艺先进,使得这款轴承的性能远超普通产品它的耐用性,让人惊叹不已 始终顺滑如初,这款轴承的稳定性极佳,在长时间运行中也能保持良好状态它的抗剪切性能,确保了它的结构稳定性 ,八零动力SKF角接触球轴承品种全,价格优,质量有保证!

用户关注最多的SKF轴承型号

SKF230/850CAK/W33 SKF53178/53377/Q SKF6315-RS1* SKF71908C/DF SKF7304BEGBP* SKFCR28X52X7HMS5V SKFCR524940 SKFCR52X80X10HMS5RG SKFCR53775 SKFIR10x14x16 SKFK20x28x16 SKFNNC4940CV SKFNNU4976BK/SPW33 SKFP3/4WF SKFT2DC220/VE141

7219BECBP*角接触球轴承近似的SKF轴承型号

SKF7219BEP SKF7219B SKF7219C/DT SKF7219AC/DF SKF7219C SKF7219BECBP SKF7219BECBM SKF7219BECBY SKF2x7219BECBY SKF7219B/DT SKF7219BECBM* SKF7219BECBY

用户关注最多的轴承狗热门型号

NACHI  7309CDF TIMKEN  A6067 /A6157-B FAG  SNV150-L + 2217-K-M-C3 + H317X300 + TSV517X300 NACHI  5211 TORRINGTON FAFNIR  7308B FAG  BND2213-H-W-T-BL-S TIMKEN  22778/22721 SKF  3308A NTN  6306-2Z NACHI  7228CDB SKF  NNU4888K/W33 ZKL  32016 ZKL  7301B/DT TIMKEN  9378/9320D+X1S-9378 IKO  LWES30...SL.../U

版权所有©2009-2015 轴承狗zcgou.com ICP备案:津ICP备14004550号-13