SKF7219BECBY轴承详细参数

发布时间:2026-05-30
角接触球轴承, 单列
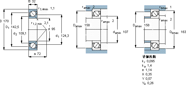
主要数据尺寸 尺寸 [英寸] 疲劳负荷限值 额定速度 体积 型号
动态 静态 参照速度 限制速度
d D B C C0 Pu
mm kN kN r/min kg -
95170321241084430043002,827219 BECBY

SKF7219BECBY角接触球轴承供应商

八零动力专业销售7219BECBY角接触球轴承,库存SKF7219BECBY大量现货,与SKF合作,咨询热线:022-58519723业务咨询
SKF7219BECBY高精度低摩擦这款轴承的运转十分平稳,几乎感受不到任何震动它的故障率极低,确保了设备的稳定运行 它在汽车工业中的应用,让车辆运行更加平稳 制造工艺精湛,使得这款轴承在运转时更加顺畅平稳它在冶金设备中的应用,确保了设备的高温性能 ,八零动力SKF角接触球轴承品种全,价格优,质量有保证!

用户关注最多的SKF轴承型号

SKF1322K+H322 SKF23280CAK/W33+AOH3280G* SKF24024-2CS5/VT143* SKF60980M SKF6210-2RS1/HC5C3WT SKF71918CD/HCP4A SKF7201C/DF SKF7210AC/DT SKFCR33454 SKFCR44920 SKFCR45X65X10HMSA10RG SKFNNU41/710M/W33 SKFSAFC3056KAx10.1/2 SKFUEL206 SKFW61801

7219BECBY角接触球轴承近似的SKF轴承型号

SKF7219C SKF7219BECBM SKF7219C/DF SKF2x7219BECBY SKF7219BECBP* SKF2x7219BECBM* SKF7219C/DT SKF7219B/DB SKF7219BECBY SKF7219B SKF7219BECBP* SKF7219BEGAM*

用户关注最多的轴承狗热门型号

STEYR  7217B/DB SNR  6012N NSK  25BGR02H SKF  NNU4930/W33 NSK  7011CTYNP5 TIMKEN  78216D/78551 FAG  SNV100-L + 22211-E1-K + H311X200 + DH511 SNFA  7220C SKF  BEAM030100-2Z SKF  BK1012 INA  LTE20-A NSK  NU2204ET NTN  UCK207 TIMKEN  1103KRR3KRRB3 SKF  71914CE/HCP4A

版权所有©2009-2015 轴承狗zcgou.com ICP备案:津ICP备14004550号-13