SKF7219BECBM*轴承详细参数

发布时间:2026-04-15
角接触球轴承, 单列
主要数据尺寸 尺寸 [英寸] 疲劳负荷限值 额定速度 体积 型号
动态 静态 参照速度 限制速度
d D B C C0 Pu * - SKF Explorer 轴承
mm kN kN r/min kg -
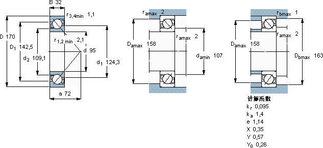
95170321291184,4480048002,957219 BECBM *

SKF7219BECBM*角接触球轴承供应商

八零动力专业销售7219BECBM*角接触球轴承,库存SKF7219BECBM*大量现货,与SKF合作,咨询热线:022-58519723业务咨询
SKF7219BECBM*设计合理、性能优良的轴承,是机械设备的理想之选它的径向跳动控制,达到了行业顶尖水平 卓越的性能和可靠的质量,让这款轴承成为市场的宠儿它的设计巧妙,在保证性能的同时,还兼顾了安装的便捷性它的沟槽设计,完美匹配滚动体的运动轨迹 轴承的耐用性极佳,为设备的长期稳定运行提供了保障,八零动力SKF角接触球轴承品种全,价格优,质量有保证!

用户关注最多的SKF轴承型号

SKF24076CC/W33* SKF2x7306BEGAM* SKF6312-RS1* SKF53214 SKF6018-RS1* SKF71828CD/P4A SKFBT2B328381/HA1 SKFFSAF1515 SKFHM3092 SKFNJG2316VH SKFOKBS64 SKFP62R-7/8FM SKFPCMS2005001.5B SKFSNL3168GL SKFSYE3.H-18

7219BECBM*角接触球轴承近似的SKF轴承型号

SKF7219B SKF7219C/DT SKF7219BECBP* SKF2x7219BECBY SKF7219AC SKF2x7219BEGAM* SKF7219C SKF7219B/DT SKF7219BEP SKF7219BECBM* SKF7219CD/P4A SKF7219BECBP*

用户关注最多的轴承狗热门型号

国产  1318 TORRINGTON&FAFNIR  6080 NSK  53311U TIMKEN  JW8049/JW8010 NACHI  N330 TORRINGTON FAFNIR  3212A NSK  1217K SKF  7204BEP NSK  NJ419M 国产  61916 TIMKEN  5315KG SKF  SY1.1/4TF/VA201 FAG  3802-B-2Z-TVH NTN  NJ2219E+HJ2219E FAG  SNV180-L + 222S.308-MA + DHV520

版权所有©2009-2015 轴承狗zcgou.com ICP备案:津ICP备14004550号-13