SKF7218BEGBF轴承详细参数

发布时间:2026-04-14
角接触球轴承, 单列
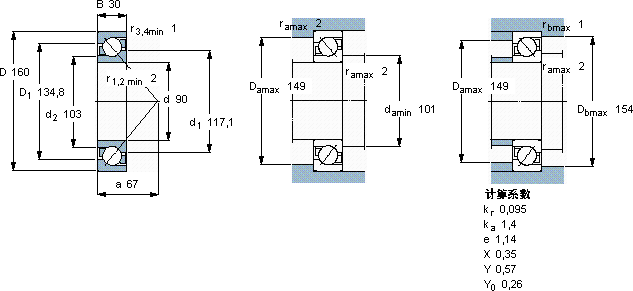
主要数据尺寸 尺寸 [英寸] 疲劳负荷限值 额定速度 体积 型号
动态 静态 参照速度 限制速度
d D B C C0 Pu
mm kN kN r/min kg -
901603010896,53,65450045002,417218 BEGBF

SKF7218BEGBF角接触球轴承供应商

八零动力专业销售7218BEGBF角接触球轴承,库存SKF7218BEGBF大量现货,与SKF合作,咨询热线:022-58519723业务咨询
SKF7218BEGBF为您的设备保驾护航,让机械运转无忧精湛的工艺打造出的轴承,精度和稳定性都令人称赞高品质的轴承,在各种复杂工况下都能展现出卓越的性能表现它的加工精度,确保了机械运转的稳定性 它在电子设备中的应用,展现了它的高精密性 它的质量卓越,为机械设备的安全运行保驾护航,八零动力SKF角接触球轴承品种全,价格优,质量有保证!

用户关注最多的SKF轴承型号

SKF23964CC/W33* SKF24192ECA/W33 SKF2x7330BCBM SKF32304J2/Q SKF51210 SKF53414 SKF609-RZ SKFCR110x145x12CRW1R SKFCR17035 SKFCR27576 SKFCR34611 SKFCR99552 SKFGEZ400ES SKFKMTA28 SKFTVN205A

7218BEGBF角接触球轴承近似的SKF轴承型号

SKF7218BEGAF SKF7218BECBM SKF7218B/DF SKF2x7218BEGAP* SKF2x7218BECBJ SKF7218C/DB SKF7218BECCM SKF7218C/DF SKF2x7218BEGAY SKF7218B/DT SKF7218BEGAP* SKF7218BEP

用户关注最多的轴承狗热门型号

SKF  2x7200BECBP LYC  NJ 204 M NSK  7220A5TYNSULP4 SKF  7004AC TORRINGTON FAFNIR  6013 KOYO  22330RHAK+AHX2330 NTN  NN3014K MAC  NUP324 TIMKEN  799A/792CD+X1S-799A SKF  SYR3.11/16-3 SKF  BS2B247534 MRC  61903-Z ZKL  NJ218 IKO  NA4926U IKO  LRT708035

版权所有©2009-2015 轴承狗zcgou.com ICP备案:津ICP备14004550号-13