SKF7215BECBJ轴承详细参数

发布时间:2026-04-15
角接触球轴承, 单列
主要数据尺寸 尺寸 [英寸] 疲劳负荷限值 额定速度 体积 型号
动态 静态 参照速度 限制速度
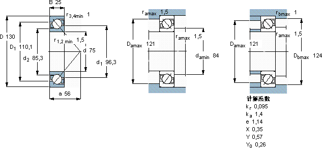
d D B C C0 Pu
mm kN kN r/min kg -
751302572,8642,65560056001,267215 BECBJ

SKF7215BECBJ角接触球轴承供应商

八零动力专业销售7215BECBJ角接触球轴承,库存SKF7215BECBJ大量现货,与SKF合作,咨询热线:022-58519723业务咨询
SKF7215BECBJ卓越的性能和可靠的质量,让这款轴承成为市场的宠儿出色的性能表现,让这款轴承成为行业内的明星产品,该轴承的性能出色,有效提升了机械设备的整体性能它的轻量化设计,减少了材料的使用 高品质的轴承,在复杂工况下也能展现出卓越的性能它的品质卓越,为机械设备的高效运行提供了坚实后盾,八零动力SKF角接触球轴承品种全,价格优,质量有保证!

用户关注最多的SKF轴承型号

SKF23264CAC/W33 SKF71911C SKF71912CE/P4A SKFCR448x480x16HDS2R SKFCR70X100X10HMSA10V SKFCR85914 SKFFYT2.3/16TF/VA201 SKFGE200TXG3A-2LS SKFNCF1880V SKFNCF3068CV SKFNKI25/30 SKFNU2311ECKML* SKFPCM070910B SKFPWM8595100 SKFSYL20TR/VE495

7215BECBJ角接触球轴承近似的SKF轴承型号

SKF2x7215BECBP SKF7215B/DB SKF7215B/DF SKF7215C/DF SKF2x7215BEGAY SKF7215BECBM SKF7215AC SKF7215BEP SKF7215BECBY SKF7215B/DT SKF7215CD/P4A SKF7215BECBM

用户关注最多的轴承狗热门型号

SKF  5205E-2Z SKF  BEAM025075-2Z NACHI  7005DB 国产  AXK6590 NTN  61808-2RS SKF  SNL3264F LYC  LY-N037 国产  22238CM NSK  23228CE4 SKF  NNU4924BK/SPW33 NTN  NN3021 DKF  7317AC/DT SKF  NJ2313E+HJ2313E IKO  RNA49/62UU IKO  SB20A

版权所有©2009-2015 轴承狗zcgou.com ICP备案:津ICP备14004550号-13