SKF7214BECBY轴承详细参数

发布时间:2026-05-29
角接触球轴承, 单列
主要数据尺寸 尺寸 [英寸] 疲劳负荷限值 额定速度 体积 型号
动态 静态 参照速度 限制速度
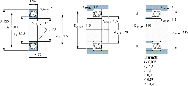
d D B C C0 Pu
mm kN kN r/min kg -
701252471,5602,5600060001,107214 BECBY

SKF7214BECBY角接触球轴承供应商

八零动力专业销售7214BECBY角接触球轴承,库存SKF7214BECBY大量现货,与SKF合作,咨询热线:022-58519723业务咨询
SKF7214BECBY它在化工设备中的应用,展现了它的耐腐蚀性 精密与耐用的完美结合,引领行业速度,我们的轴承始终稳如磐石轴承的性能可靠,为机械设备的稳定运行立下汗马功劳轴承的稳定性和可靠性表现卓越,赢得了广泛赞誉它的品质卓越,为机械设备的高效、稳定运行保驾护航,八零动力SKF角接触球轴承品种全,价格优,质量有保证!

用户关注最多的SKF轴承型号

SKF61901-2RZ SKF6304-2RS SKF71904CD/HCP4A SKF71920DB/P7 SKF7201CD/HCP4A SKF7218BECBY SKF722510DA SKFCR75X95X12HMS5RG SKFCR99182 SKFKRV16PPA SKFNNCL4938CV SKFNU304ECP* SKFPWM150165150 SKFPWM170190200 SKFSYJ30TF

7214BECBY角接触球轴承近似的SKF轴承型号

SKF7214BEGAP* SKF7214BECBP* SKF7214BECBJ SKF2x7214BECBJ SKF7214C SKF7214C/DB SKF2x7214BECBM* SKF7214B/DT SKF7214AC/DF SKF7214BEP SKF7214BECBP* SKF7214BEGAM*

用户关注最多的轴承狗热门型号

NACHI  320KBE031 STEYR  51322 INA  GIL30-DO KOYO  NJ2318+HJ2318 KOYO  23134CCK/W33 FAG  SNV190-L + 20318-K-MB-C3 + H318X303 + FSV518X303 SKF  FYL40TR/VE495 国产  29464 NSK  7914CTYNP5 SNR  3219 TIMKEN  657/653 SKF  CR1094110 MRC  6020N SKF  CR3050890 SKF  CR92543

版权所有©2009-2015 轴承狗zcgou.com ICP备案:津ICP备14004550号-13