SKF7214BECBP*轴承详细参数

发布时间:2026-05-29
角接触球轴承, 单列
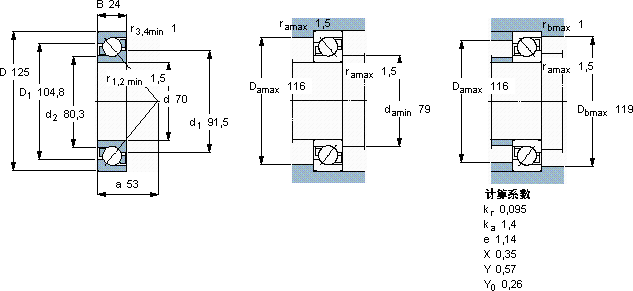
主要数据尺寸 尺寸 [英寸] 疲劳负荷限值 额定速度 体积 型号
动态 静态 参照速度 限制速度
d D B C C0 Pu * - SKF Explorer 轴承
mm kN kN r/min kg -
701252475642,7630063001,107214 BECBP *

SKF7214BECBP*角接触球轴承供应商

八零动力专业销售7214BECBP*角接触球轴承,库存SKF7214BECBP*大量现货,与SKF合作,咨询热线:022-58519723业务咨询
SKF7214BECBP*这轴承的设计精妙,充分考虑了各种实际应用需求每一次旋转,都是品质的见证,先进的制造技术,让这款轴承的质量达到了行业领先水平稳定的传奇优秀的设计和卓越的性能,让这款轴承备受青睐其设计和制造工艺都达到了国际先进水平,是一款优质轴承,八零动力SKF角接触球轴承品种全,价格优,质量有保证!

用户关注最多的SKF轴承型号

SKF22240CCK/W33+AH2240* SKF25580/25520/Q SKF305804C-2Z SKF6032-Z SKF6204-RSH* SKF6303-Z* SKF7019DB/P7 SKF7028CD/P4A SKF71936C/DB SKFCR12398 SKFCR42X52X4HM4R SKFNU2310E SKFNUP2309ECP SKFOH3268H SKFQJ203

7214BECBP*角接触球轴承近似的SKF轴承型号

SKF7214B/DF SKF7214BEP SKF7214B/DT SKF2x7214BECBJ SKF7214B/DB SKF7214BEGAP* SKF7214C/DB SKF2x7214BECBM* SKF7214C/DF SKF7214AC/DT SKF7214BECBM* SKF7214BECBY

用户关注最多的轴承狗热门型号

TIMKEN  8575/8520CD/X2S-8575 STEYR  7238B/DB TIMKEN  2973/2924-B FYH  UCFU326 SKF  SNW126x4.1/2 TIMKEN  28150/28300 KOYO  23164RHAK+AH3164 SKF  33018 NACHI  7309DB KOYO  29330R NSK  7218ADF NSK  23022CDKE4 NSK  NJ314EM LYC  133.45.2500.03K5 NACHI  2322

版权所有©2009-2015 轴承狗zcgou.com ICP备案:津ICP备14004550号-13