SKF7214BECBM*轴承详细参数

发布时间:2026-05-29
角接触球轴承, 单列
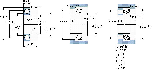
主要数据尺寸 尺寸 [英寸] 疲劳负荷限值 额定速度 体积 型号
动态 静态 参照速度 限制速度
d D B C C0 Pu * - SKF Explorer 轴承
mm kN kN r/min kg -
701252472602,55630063001,187214 BECBM *

SKF7214BECBM*角接触球轴承供应商

八零动力专业销售7214BECBM*角接触球轴承,库存SKF7214BECBM*大量现货,与SKF合作,咨询热线:022-58519723业务咨询
SKF7214BECBM*就是选择高效与可靠每一次旋转,都是品质的见证,先进的制造技术和严格的质量控制,造就了这款优质轴承稳定的传奇它在风力发电中的应用,为清洁能源贡献力量 它的抗冲击性能,让它经得起各种考验 ,八零动力SKF角接触球轴承品种全,价格优,质量有保证!

用户关注最多的SKF轴承型号

SKF6218N* SKF7008C/DT SKF71816ACD/P4 SKFBT4B328223G/HA1VA901 SKFCR25X40X8HMS5V SKFCR350x400x25.4HS5R SKFCR48X72X7HMSA10V SKFCR85123 SKFCR594250 SKFCR76255 SKFCR85x110x12HMS4R SKFS7016CD/HCP4A SKFSYR3.11/16-18 SKFTU13/16FM SKFW618/1

7214BECBM*角接触球轴承近似的SKF轴承型号

SKF7214BECBJ SKF7214B/DT SKF7214AC/DB SKF7214AC SKF7214B/DF SKF7214BECBP SKF7214BECBY SKF7214B/DB SKF7214BEGAM* SKF7214BECBY SKF7214BECBJ SKF7214BECBP*

用户关注最多的轴承狗热门型号

INA  RNA6906 SKF  TU1.3/16WF NTN  7001C/DT TIMKEN  385X/384ED/X4S-385 FAG  231SM240-MA LYC  7207 C/P4DB SKF  FSYE3.7/16NH-118 INA  ZM12 NTN  NJ2219E RHP  6309-Z FAG  SNV160-L + 21315-E1-K + H315X207 + DHV615X207 NTN  29417 TIMKEN  NJ2308E.TVP* TIMKEN  46780/46720CD+X2S-46780 IKO  IRB2424

版权所有©2009-2015 轴承狗zcgou.com ICP备案:津ICP备14004550号-13