SKF7212BEP轴承详细参数

发布时间:2026-04-15
角接触球轴承, 单列
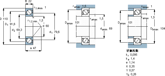
主要数据尺寸 尺寸 [英寸] 疲劳负荷限值 额定速度 体积 型号
动态 静态 参照速度 限制速度
d D B C C0 Pu
mm kN kN r/min kg -
601102257,245,51,93700070000,787212 BEP

SKF7212BEP角接触球轴承供应商

八零动力专业销售7212BEP角接触球轴承,库存SKF7212BEP大量现货,与SKF合作,咨询热线:022-58519723业务咨询
SKF7212BEP它的低噪音设计,减少了对环境的噪音污染 质量无可挑剔的轴承,为设备的高效运作提供了有力支持让工作更高效,它的抗震性能,确保了它在振动环境下的可靠性 坚固的结构稳定的性能它的滚动体分布均匀,运转平稳无振动 ,八零动力SKF角接触球轴承品种全,价格优,质量有保证!

用户关注最多的SKF轴承型号

SKF294/530EM SKF32052X/DF SKF5214E SKF7005CD/HCP4A SKF7301B SKF7311BEGCY SKFC4128V* SKFCR1650280 SKFCR20X35X10HMS5V SKFCR75X100X10HMS5V SKFNCF29/800V SKFNUP2212ECP* SKFS7017FB/P7 SKFSIL15ES SKFTVN207A

7212BEP角接触球轴承近似的SKF轴承型号

SKF2x7212BECBM* SKF7212BECBY SKF7212C/DF SKF2x7212BECBP* SKF2x7212BECBJ SKF7212BEGAM* SKF7212BECBP SKF2x7212BEGAP* SKF7212BEGBP* SKF7212B/DT SKF7212BEGBP* SKF7212BEY

用户关注最多的轴承狗热门型号

LYC  24172 /C4 FAG  SNV150-L + 2314-M + TSV214 SKF  CR40x54x7CRW1R LYC  30207/P4 TIMKEN  HM911244/HM911216 FAG  BND2234-H-W-Y-BL-S INA  AM40 KOYO  634-Z LYC  NN 39/530 K/SPW33 LYC  30204/02 SNR  7236C/DB SKF  NKS24 MRC  7006AC/DF SKF  PFD3/4TF DKF  7338B/DB

版权所有©2009-2015 轴承狗zcgou.com ICP备案:津ICP备14004550号-13